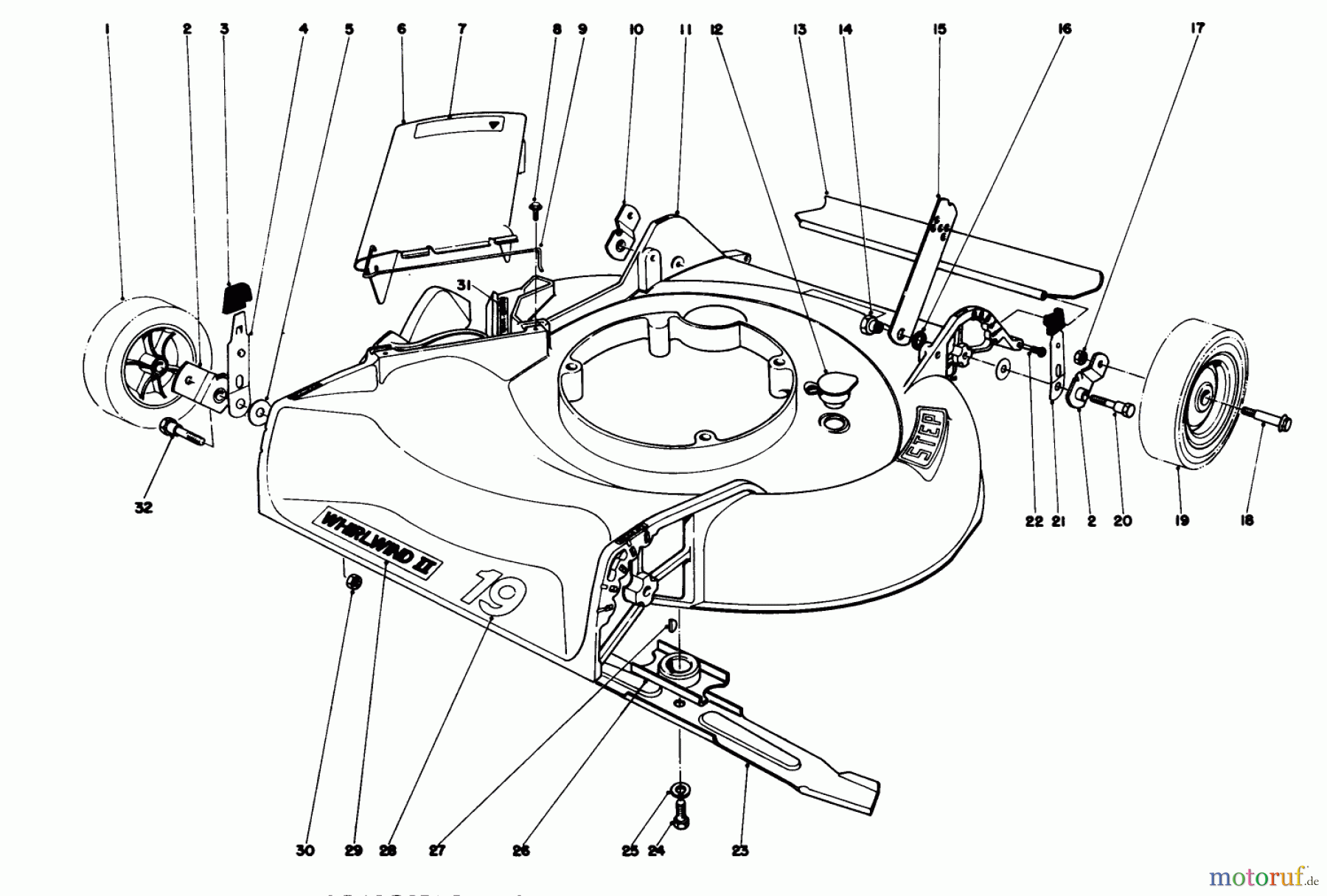
Toro 16277 - Whirlwind Lawnmower, 1978 (8000001-8999999) HOUSING ASSEMBLY MODEL 16009 & 16113 Ersatzteile
HOUSING ASSEMBLY MODEL 16009 & 16113 16277 - Toro Whirlwind Lawnmower, 1978 (8000001-8999999)

Hier finden Sie die Ersatzteilzeichnung für Toro Neu Mowers, Walk-Behind Seite 1 16277 - Toro Whirlwind Lawnmower, 1978 (8000001-8999999) HOUSING ASSEMBLY MODEL 16009 & 16113. Wählen Sie das benötigte Ersatzteil aus der Ersatzteilliste Ihres Toro Gerätes aus und bestellen Sie einfach online. Viele Toro Ersatzteile halten wir ständig in unserem Lager für Sie bereit.


Qualitätsmanagement
Informieren Sie uns, wenn Sie einen Fehler gefunden haben.



