Toro 16273 - Whirlwind Lawnmower, 1975 (5000001-5999999) HOUSING & ENGINE ASSEMBLY-MODELS 16073 & 16173 Ersatzteile
HOUSING & ENGINE ASSEMBLY-MODELS 16073 & 16173 16273 - Toro Whirlwind Lawnmower, 1975 (5000001-5999999)

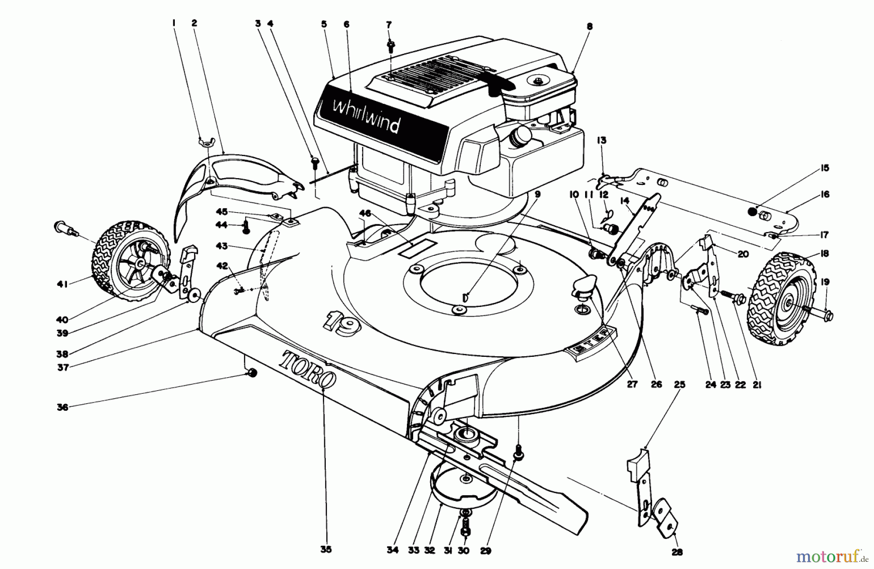
Hier finden Sie die Ersatzteilzeichnung für Toro Neu Mowers, Walk-Behind Seite 1 16273 - Toro Whirlwind Lawnmower, 1975 (5000001-5999999) HOUSING & ENGINE ASSEMBLY-MODELS 16073 & 16173. Wählen Sie das benötigte Ersatzteil aus der Ersatzteilliste Ihres Toro Gerätes aus und bestellen Sie einfach online. Viele Toro Ersatzteile halten wir ständig in unserem Lager für Sie bereit.


Qualitätsmanagement
Informieren Sie uns, wenn Sie einen Fehler gefunden haben.




