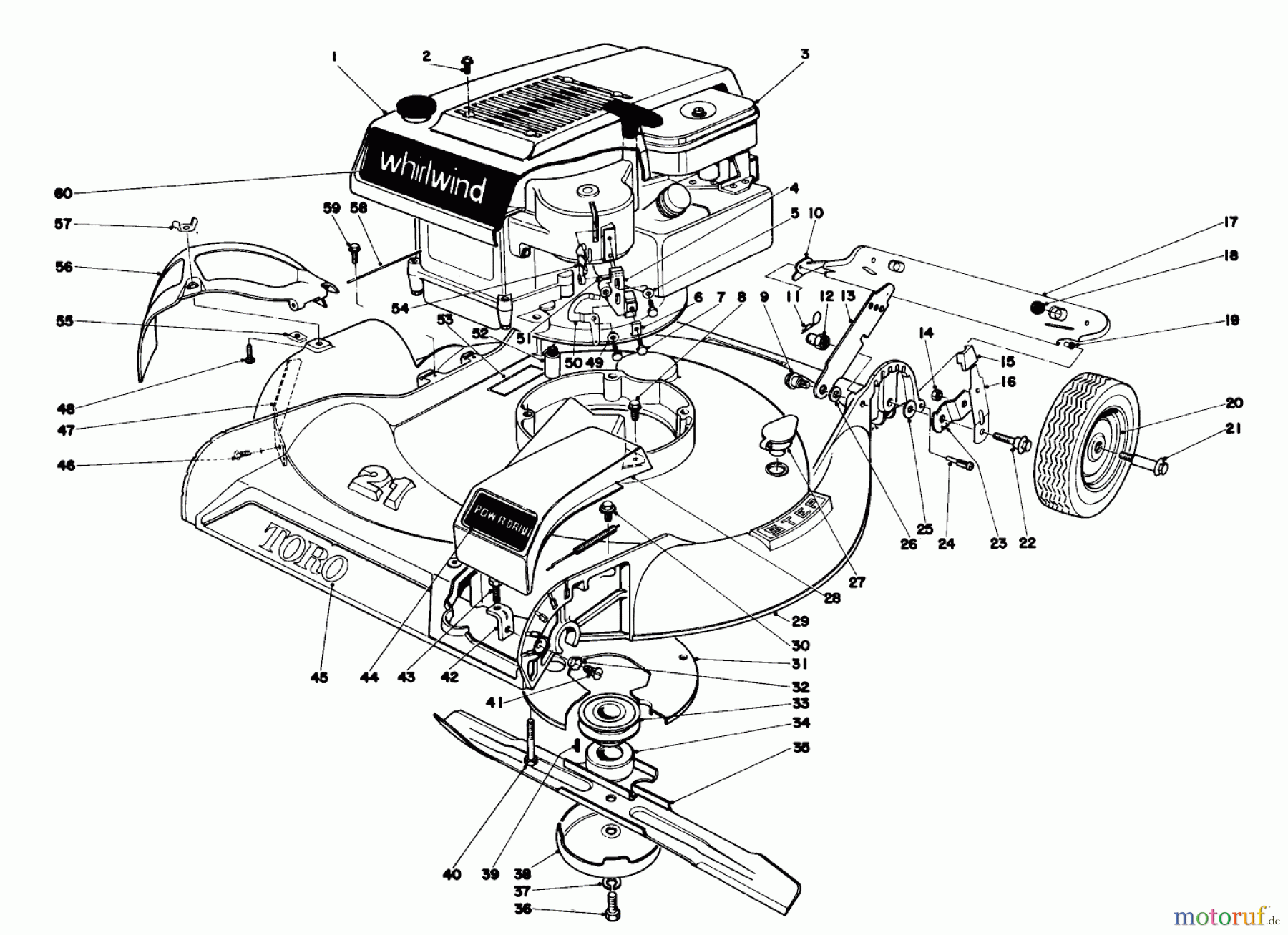
Toro 16273 - Whirlwind Lawnmower, 1975 (5000001-5999999) HOUSING AND ENGINE ASSEMBLY MODEL 16273 Ersatzteile
HOUSING AND ENGINE ASSEMBLY MODEL 16273 16273 - Toro Whirlwind Lawnmower, 1975 (5000001-5999999)

Hier finden Sie die Ersatzteilzeichnung für Toro Neu Mowers, Walk-Behind Seite 1 16273 - Toro Whirlwind Lawnmower, 1975 (5000001-5999999) HOUSING AND ENGINE ASSEMBLY MODEL 16273. Wählen Sie das benötigte Ersatzteil aus der Ersatzteilliste Ihres Toro Gerätes aus und bestellen Sie einfach online. Viele Toro Ersatzteile halten wir ständig in unserem Lager für Sie bereit.


Qualitätsmanagement
Informieren Sie uns, wenn Sie einen Fehler gefunden haben.




