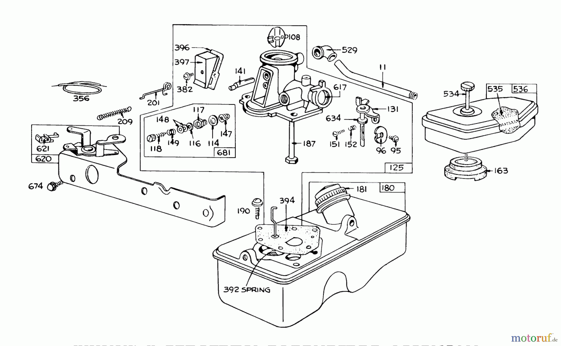
Toro 16273 - Whirlwind Lawnmower, 1975 (5000001-5999999) BRIGGS & STRATTON CARBURETOR ASSEMBLY MODEL 390064 FOR 19" HAND PROPELLED MODEL 16073 Ersatzteile
BRIGGS & STRATTON CARBURETOR ASSEMBLY MODEL 390064 FOR 19" HAND PROPELLED MODEL 16073 16273 - Toro Whirlwind Lawnmower, 1975 (5000001-5999999)

Hier finden Sie die Ersatzteilzeichnung für Toro Neu Mowers, Walk-Behind Seite 1 16273 - Toro Whirlwind Lawnmower, 1975 (5000001-5999999) BRIGGS & STRATTON CARBURETOR ASSEMBLY MODEL 390064 FOR 19" HAND PROPELLED MODEL 16073. Wählen Sie das benötigte Ersatzteil aus der Ersatzteilliste Ihres Toro Gerätes aus und bestellen Sie einfach online. Viele Toro Ersatzteile halten wir ständig in unserem Lager für Sie bereit.


Qualitätsmanagement
Informieren Sie uns, wenn Sie einen Fehler gefunden haben.



