Toro 16273 - Whirlwind Lawnmower, 1973 (3000001-3999999) BRIGGS & STRATTON CARBURETOR ASSEMBLY MODEL 390064 FOR 19" HAND PROPELLED MODEL 16073 Ersatzteile
BRIGGS & STRATTON CARBURETOR ASSEMBLY MODEL 390064 FOR 19" HAND PROPELLED MODEL 16073 16273 - Toro Whirlwind Lawnmower, 1973 (3000001-3999999)

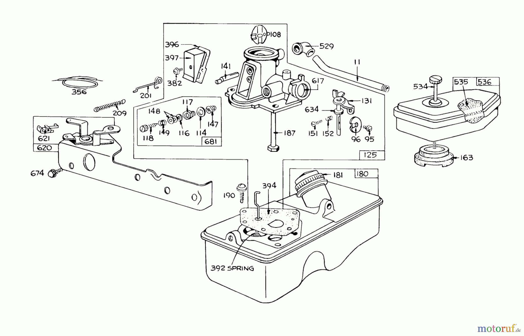
Hier finden Sie die Ersatzteilzeichnung für Toro Neu Mowers, Walk-Behind Seite 1 16273 - Toro Whirlwind Lawnmower, 1973 (3000001-3999999) BRIGGS & STRATTON CARBURETOR ASSEMBLY MODEL 390064 FOR 19" HAND PROPELLED MODEL 16073. Wählen Sie das benötigte Ersatzteil aus der Ersatzteilliste Ihres Toro Gerätes aus und bestellen Sie einfach online. Viele Toro Ersatzteile halten wir ständig in unserem Lager für Sie bereit.
| BildNr | Artikel Nummer | Bezeichnung | |
| 11 | BS230802 | ENTLUEFTERROHR | |
| 95 | BS691437 | SCHRAUBE 90029 | |
| 96 | BS211203 | DROSSELKLAPPE | |
| 108 | BS298819 | VERWEIS ZU | |
| 114 | BS691608 | SCHEIBE | |
| 116 | BS691606 | O-RING | |
| 117 | BS690504 | MUTTER | |
| 118 | BS690266 | SCHRAUBE 23228 | |
| 125 | BS396893 | TANK & VERGASER-EINHEIT | |
| 131 | BS299977 | GESTAENGE | |
| 141 | BS68908 | STARTERKLAPPENWELLE | |
| 147 | BS692134 | VENTILSITZ | |
| 148 | BS690257 | UNTERLEGSCHEIBE | |
| 149 | BS691592 | FEDER | |
| 151 | BS93524 | SCHRAUBE 93392 | |
| 152 | BS260575 | VERWEIS ZU | |
| 163 | BS270621 | DICHTUNG 270228 | |
| 181 | BS493982 | VERWEIS ZU | |
| 187 | BS296476 | BENZINLEITUNG 295414 | |
| 190 | BS94712 | ||
| 201 | BS261027 | REGLERGESTAENGE | |
| 209 | BS260877 | FEDER | |
| 356 | BS398808 | MASSEKABEL | |
| 382 | BS93545 | SCHRAUBE | |
| 392 | BS261016 | FEDER | |
| 394 | ![]() | BS299637 | MEMBRANE |
| 396 | BS270571 | DICHTUNG | |
| 397 | BS211678 | PLATTE | |
| 529 | ![]() | BS692189 | KNIESTUECK |
| 534 | BS93374 | SCHRAUBE | |
| 535 | BS270579S | FILTEREINSATZ | |
| 536 | BS390055 | LUFTFILTER 298566 | |
| 617 | BS270344S | O-RING | |
| 620 | BS299974 | PLATTE | |
| 621 | BS297472S | AUSSCHALTER | |
| 634 | BS270167 | FILZSCHEIBE | |
| 681 | BS299060 | NADELVENTILSATZ | |





