Toro 16255 - Whirlwind, 1974 (4000001-4999999) HOUSING AND ENGINE ASSEMBLY Ersatzteile
HOUSING AND ENGINE ASSEMBLY 16255 - Toro Whirlwind, 1974 (4000001-4999999)

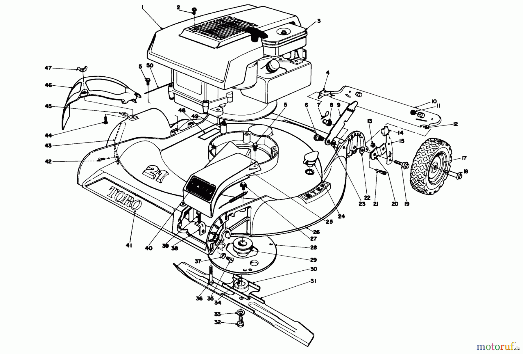
Hier finden Sie die Ersatzteilzeichnung für Toro Neu Mowers, Walk-Behind Seite 1 16255 - Toro Whirlwind, 1974 (4000001-4999999) HOUSING AND ENGINE ASSEMBLY. Wählen Sie das benötigte Ersatzteil aus der Ersatzteilliste Ihres Toro Gerätes aus und bestellen Sie einfach online. Viele Toro Ersatzteile halten wir ständig in unserem Lager für Sie bereit.





