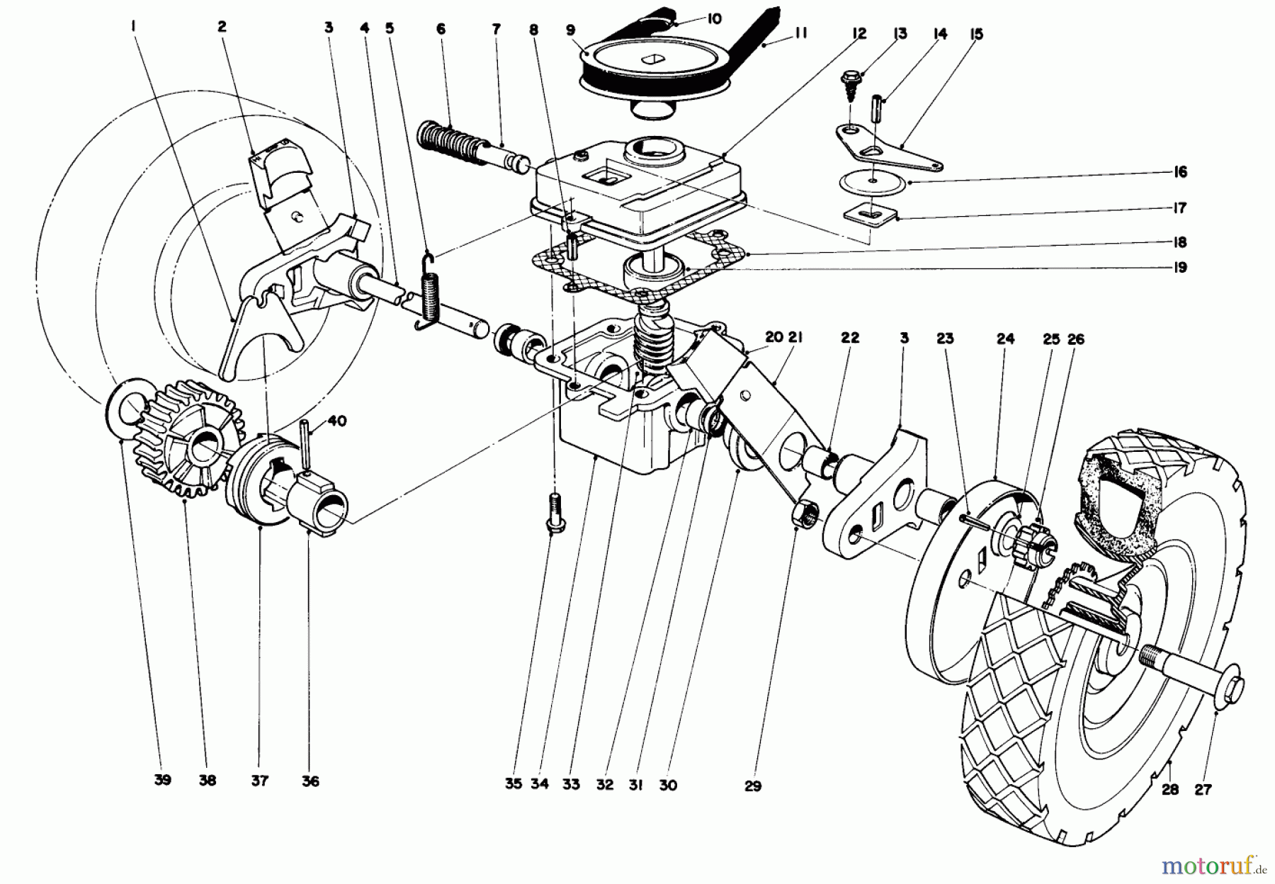
Toro 16255 - Whirlwind, 1973 (3000001-3999999) GEAR BOX ASSEMBLY Ersatzteile
GEAR BOX ASSEMBLY 16255 - Toro Whirlwind, 1973 (3000001-3999999)

Hier finden Sie die Ersatzteilzeichnung für Toro Neu Mowers, Walk-Behind Seite 1 16255 - Toro Whirlwind, 1973 (3000001-3999999) GEAR BOX ASSEMBLY. Wählen Sie das benötigte Ersatzteil aus der Ersatzteilliste Ihres Toro Gerätes aus und bestellen Sie einfach online. Viele Toro Ersatzteile halten wir ständig in unserem Lager für Sie bereit.




