Toro 16222 - Lawnmower, 1971 (1000001-1999999) ENGINE MODEL NO. 92508-0818 FOR 19" HAND PROPELLED MODEL NO. 16000 Ersatzteile
ENGINE MODEL NO. 92508-0818 FOR 19" HAND PROPELLED MODEL NO. 16000 16222 - Toro Lawnmower, 1971 (1000001-1999999)

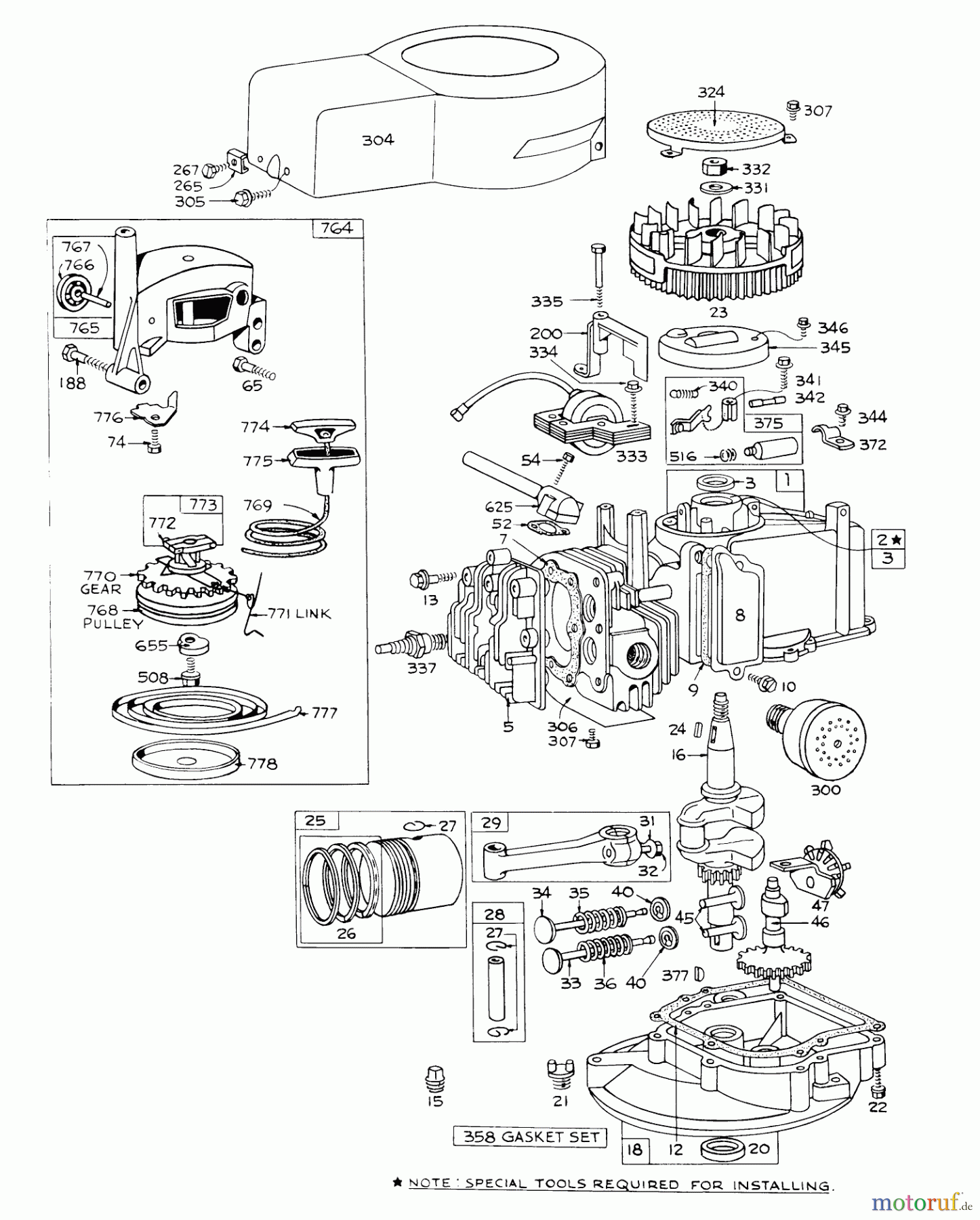
Hier finden Sie die Ersatzteilzeichnung für Toro Neu Mowers, Walk-Behind Seite 1 16222 - Toro Lawnmower, 1971 (1000001-1999999) ENGINE MODEL NO. 92508-0818 FOR 19" HAND PROPELLED MODEL NO. 16000. Wählen Sie das benötigte Ersatzteil aus der Ersatzteilliste Ihres Toro Gerätes aus und bestellen Sie einfach online. Viele Toro Ersatzteile halten wir ständig in unserem Lager für Sie bereit.


Qualitätsmanagement
Informieren Sie uns, wenn Sie einen Fehler gefunden haben.




