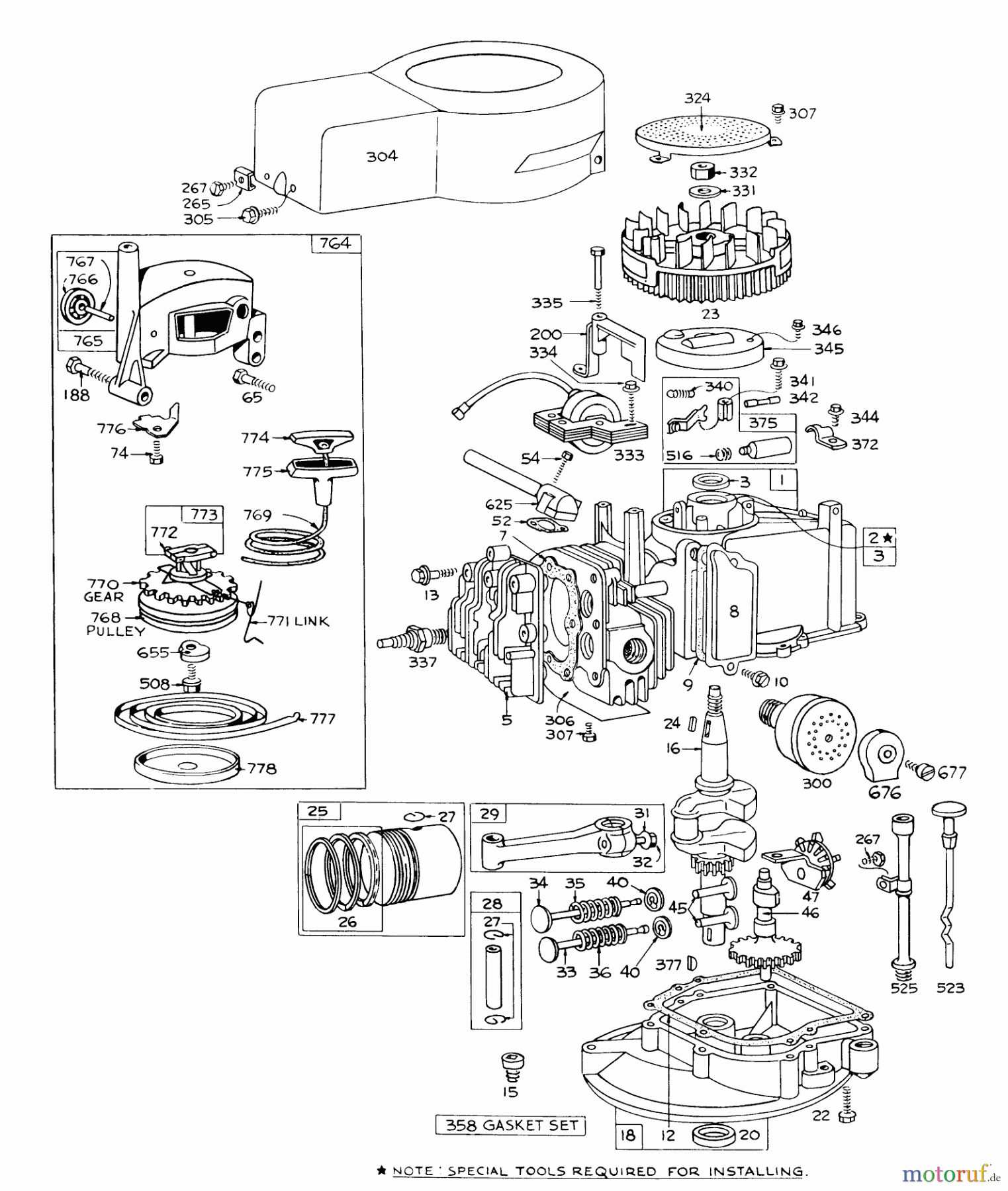
Toro 16173 - Whirlwind Lawnmower, 1974 (4000001-4999999) ENGINE BRIGGS & STRATTON-MODEL 92908-1457-01 FOR 21" HAND PROPELLED MODEL 16173 Ersatzteile
ENGINE BRIGGS & STRATTON-MODEL 92908-1457-01 FOR 21" HAND PROPELLED MODEL 16173 16173 - Toro Whirlwind Lawnmower, 1974 (4000001-4999999)

Hier finden Sie die Ersatzteilzeichnung für Toro Neu Mowers, Walk-Behind Seite 1 16173 - Toro Whirlwind Lawnmower, 1974 (4000001-4999999) ENGINE BRIGGS & STRATTON-MODEL 92908-1457-01 FOR 21" HAND PROPELLED MODEL 16173. Wählen Sie das benötigte Ersatzteil aus der Ersatzteilliste Ihres Toro Gerätes aus und bestellen Sie einfach online. Viele Toro Ersatzteile halten wir ständig in unserem Lager für Sie bereit.


Qualitätsmanagement
Informieren Sie uns, wenn Sie einen Fehler gefunden haben.




