Toro 16113 - Whirlwind II Lawnmower, 1977 (7000001-7999999) ENGINE BRIGGS & STRATTON MODEL 92908-1744-01 FOR 21" HAND PROPELLED MODEL 16113 Ersatzteile
ENGINE BRIGGS & STRATTON MODEL 92908-1744-01 FOR 21" HAND PROPELLED MODEL 16113 16113 - Toro Whirlwind II Lawnmower, 1977 (7000001-7999999)

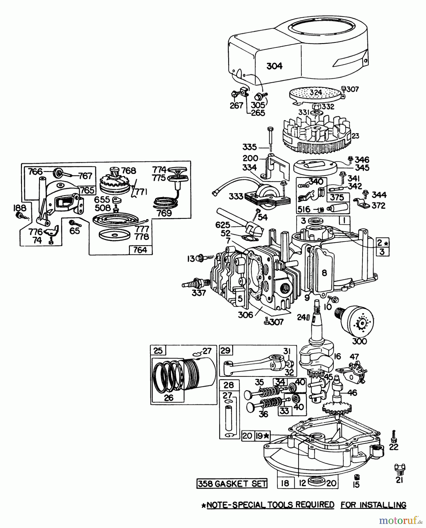
Hier finden Sie die Ersatzteilzeichnung für Toro Neu Mowers, Walk-Behind Seite 1 16113 - Toro Whirlwind II Lawnmower, 1977 (7000001-7999999) ENGINE BRIGGS & STRATTON MODEL 92908-1744-01 FOR 21" HAND PROPELLED MODEL 16113. Wählen Sie das benötigte Ersatzteil aus der Ersatzteilliste Ihres Toro Gerätes aus und bestellen Sie einfach online. Viele Toro Ersatzteile halten wir ständig in unserem Lager für Sie bereit.


Qualitätsmanagement
Informieren Sie uns, wenn Sie einen Fehler gefunden haben.





