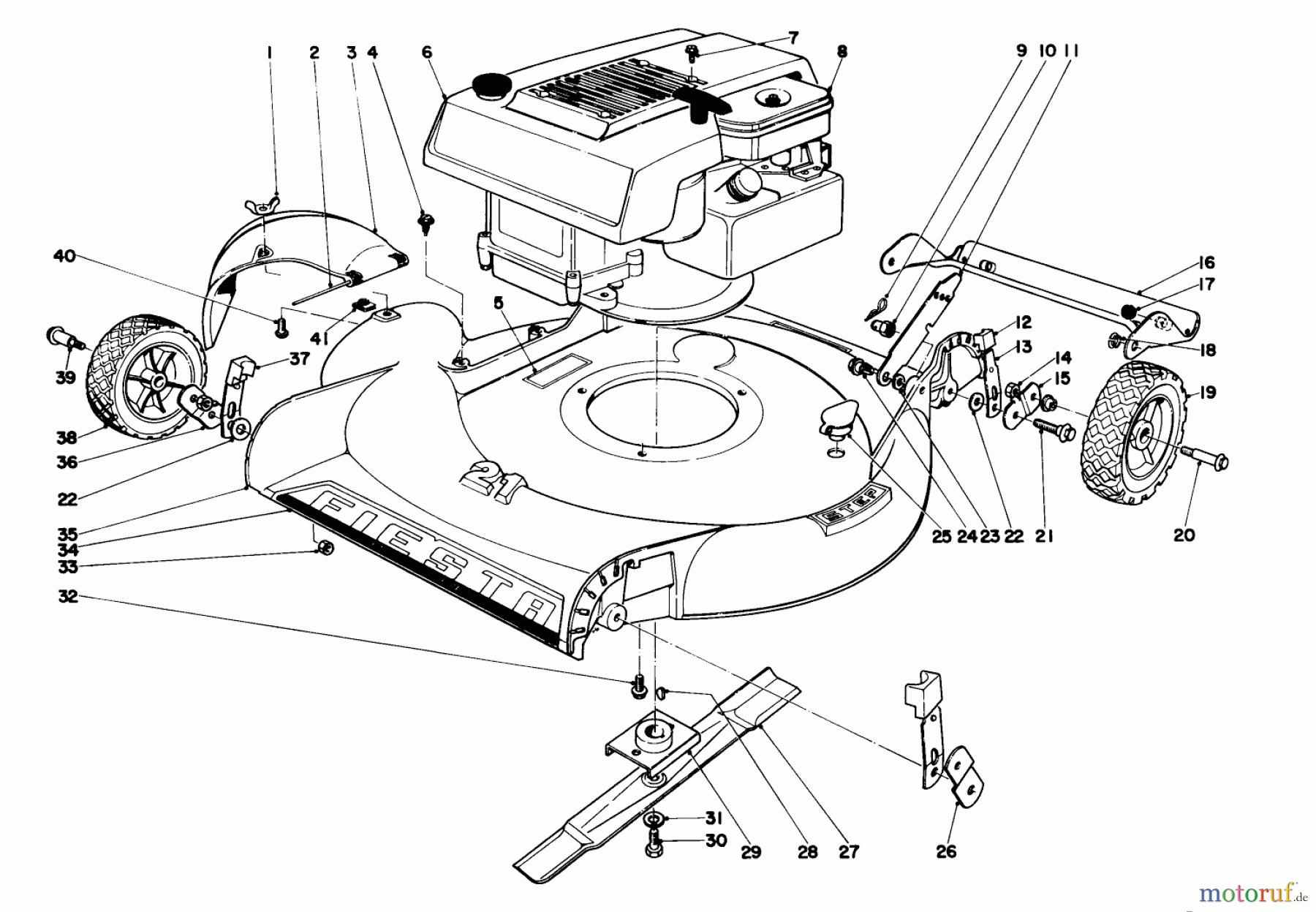
Toro 16111 - Lawnmower, 1971 (1000001-1999999) HOUSING AND ENGINE ASSEMBLY MODEL NO-S. 16000 AND 16111 Ersatzteile
HOUSING AND ENGINE ASSEMBLY MODEL NO-S. 16000 AND 16111 16111 - Toro Lawnmower, 1971 (1000001-1999999)

Hier finden Sie die Ersatzteilzeichnung für Toro Neu Mowers, Walk-Behind Seite 1 16111 - Toro Lawnmower, 1971 (1000001-1999999) HOUSING AND ENGINE ASSEMBLY MODEL NO-S. 16000 AND 16111. Wählen Sie das benötigte Ersatzteil aus der Ersatzteilliste Ihres Toro Gerätes aus und bestellen Sie einfach online. Viele Toro Ersatzteile halten wir ständig in unserem Lager für Sie bereit.






