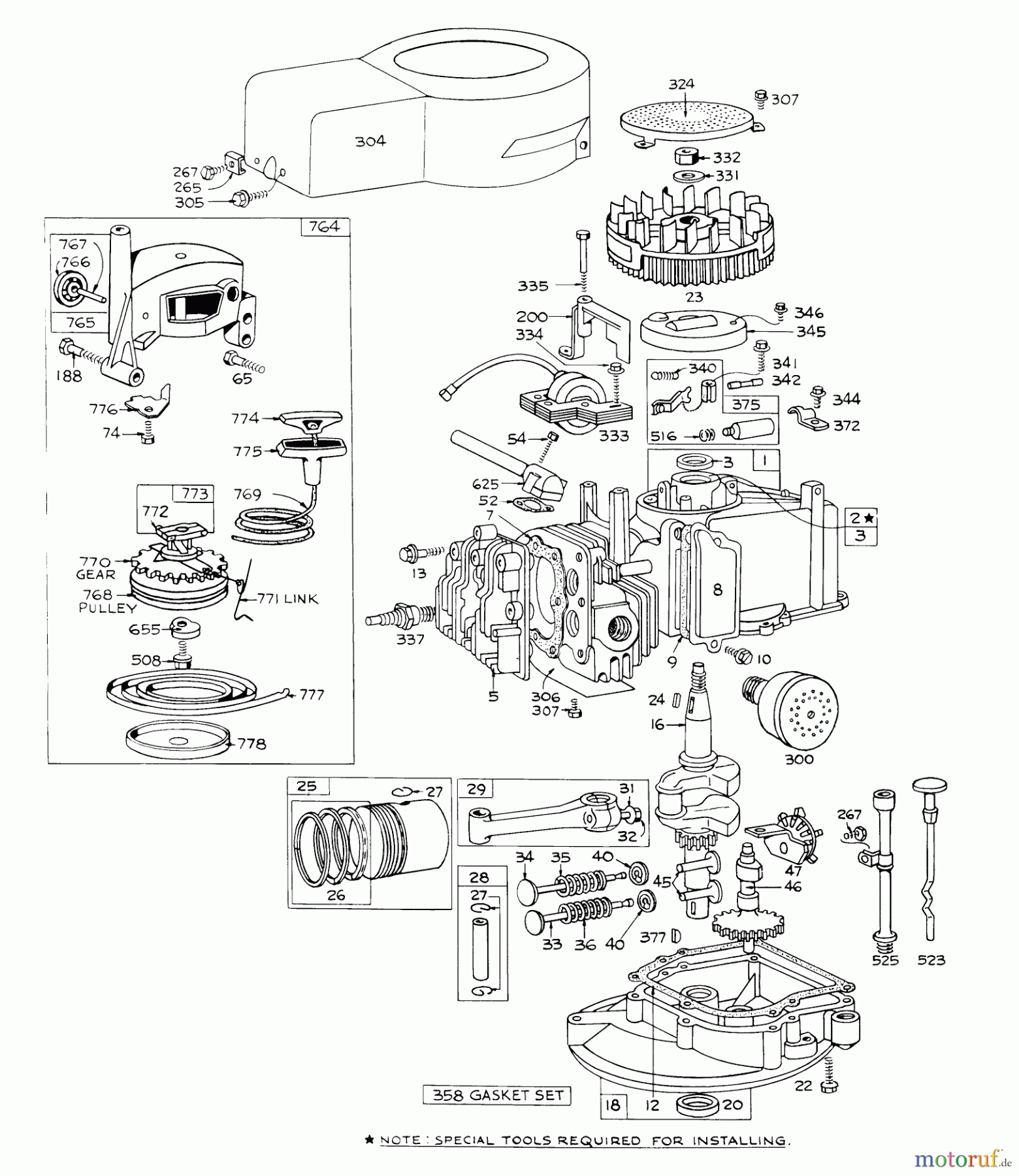
Toro 16111 - Lawnmower, 1971 (1000001-1999999) ENGINE BRIGGS & STRATTON MODEL NO. 92908-1130-01 FOR 21" SELF-PROPELLED MODEL NO. 16222 Ersatzteile
ENGINE BRIGGS & STRATTON MODEL NO. 92908-1130-01 FOR 21" SELF-PROPELLED MODEL NO. 16222 16111 - Toro Lawnmower, 1971 (1000001-1999999)

Hier finden Sie die Ersatzteilzeichnung für Toro Neu Mowers, Walk-Behind Seite 1 16111 - Toro Lawnmower, 1971 (1000001-1999999) ENGINE BRIGGS & STRATTON MODEL NO. 92908-1130-01 FOR 21" SELF-PROPELLED MODEL NO. 16222. Wählen Sie das benötigte Ersatzteil aus der Ersatzteilliste Ihres Toro Gerätes aus und bestellen Sie einfach online. Viele Toro Ersatzteile halten wir ständig in unserem Lager für Sie bereit.






