Toro 16073 - Whirlwind Lawnmower, 1973 (3000001-3999999) CARBURETOR ASSEMBLY MODEL 390065 FOR 21" HAND PROPELLED MODEL 16173 FOR 21" SELF PROPELLED MODEL 16273 Ersatzteile
CARBURETOR ASSEMBLY MODEL 390065 FOR 21" HAND PROPELLED MODEL 16173 FOR 21" SELF PROPELLED MODEL 16273 16073 - Toro Whirlwind Lawnmower, 1973 (3000001-3999999)

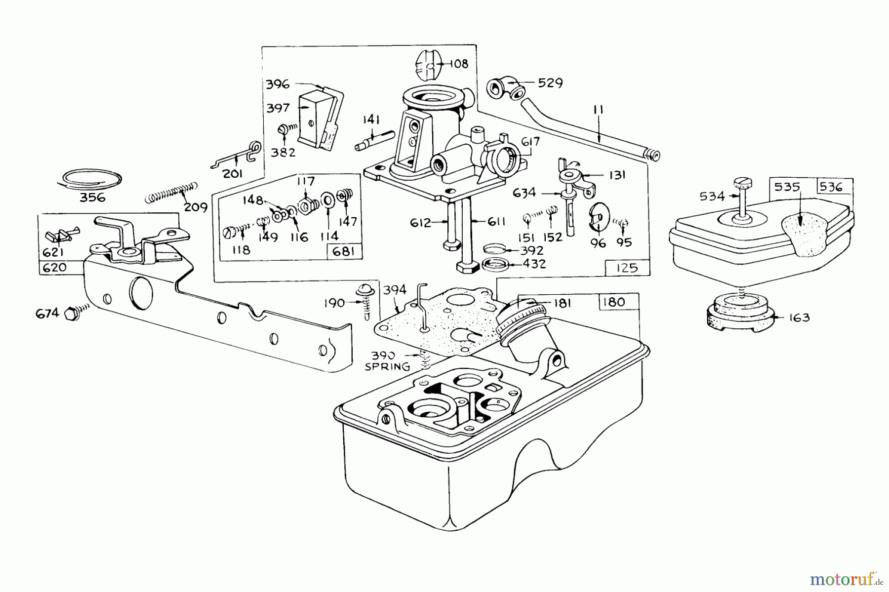
Hier finden Sie die Ersatzteilzeichnung für Toro Neu Mowers, Walk-Behind Seite 1 16073 - Toro Whirlwind Lawnmower, 1973 (3000001-3999999) CARBURETOR ASSEMBLY MODEL 390065 FOR 21" HAND PROPELLED MODEL 16173 FOR 21" SELF PROPELLED MODEL 16273. Wählen Sie das benötigte Ersatzteil aus der Ersatzteilliste Ihres Toro Gerätes aus und bestellen Sie einfach online. Viele Toro Ersatzteile halten wir ständig in unserem Lager für Sie bereit.
| BildNr | Artikel Nummer | Bezeichnung | |
| 11 | BS230802 | ENTLUEFTERROHR | |
| 95 | BS691437 | SCHRAUBE 90029 | |
| 96 | BS211237 | DROSSELKLAPPE | |
| 108 | BS280024 | STARTERKLAPPE | |
| 114 | BS691608 | SCHEIBE | |
| 116 | BS691606 | O-RING | |
| 117 | BS690504 | MUTTER | |
| 118 | BS690266 | SCHRAUBE 23228 | |
| 125 | BS390065 | VERWEIS-NR. 395957 | |
| 131 | BS299977 | GESTAENGE | |
| 141 | BS68908 | STARTERKLAPPENWELLE | |
| 147 | BS692134 | VENTILSITZ | |
| 148 | BS690257 | UNTERLEGSCHEIBE | |
| 149 | BS691592 | FEDER | |
| 151 | BS93524 | SCHRAUBE 93392 | |
| 152 | BS260575 | VERWEIS ZU | |
| 163 | BS270621 | DICHTUNG 270228 | |
| 181 | BS493982 | VERWEIS ZU | |
| 190 | BS94712 | ||
| 201 | BS261027 | REGLERGESTAENGE | |
| 209 | BS260877 | FEDER | |
| 356 | BS398808 | MASSEKABEL | |
| 382 | BS93545 | SCHRAUBE | |
| 390 | BS261015 | ||
| 392 | BS692206 | Feder f. Benzinpumpe | |
| 396 | BS270571 | DICHTUNG | |
| 397 | BS211678 | PLATTE | |
| 432 | BS690766 | FEDERTELLER | |
| 529 | ![]() | BS692189 | KNIESTUECK |
| 534 | BS93374 | SCHRAUBE | |
| 535 | BS270579S | FILTEREINSATZ | |
| 536 | BS390055 | LUFTFILTER 298566 | |
| 611 | BS297219S | BENZINLEITUNG | |
| 612 | BS497413 | VERWEIS ZU | |
| 617 | BS270344S | O-RING | |
| 620 | BS299974 | PLATTE | |
| 621 | BS297472S | AUSSCHALTER | |
| 634 | BS270167 | FILZSCHEIBE | |
| 681 | BS299060 | NADELVENTILSATZ | |




