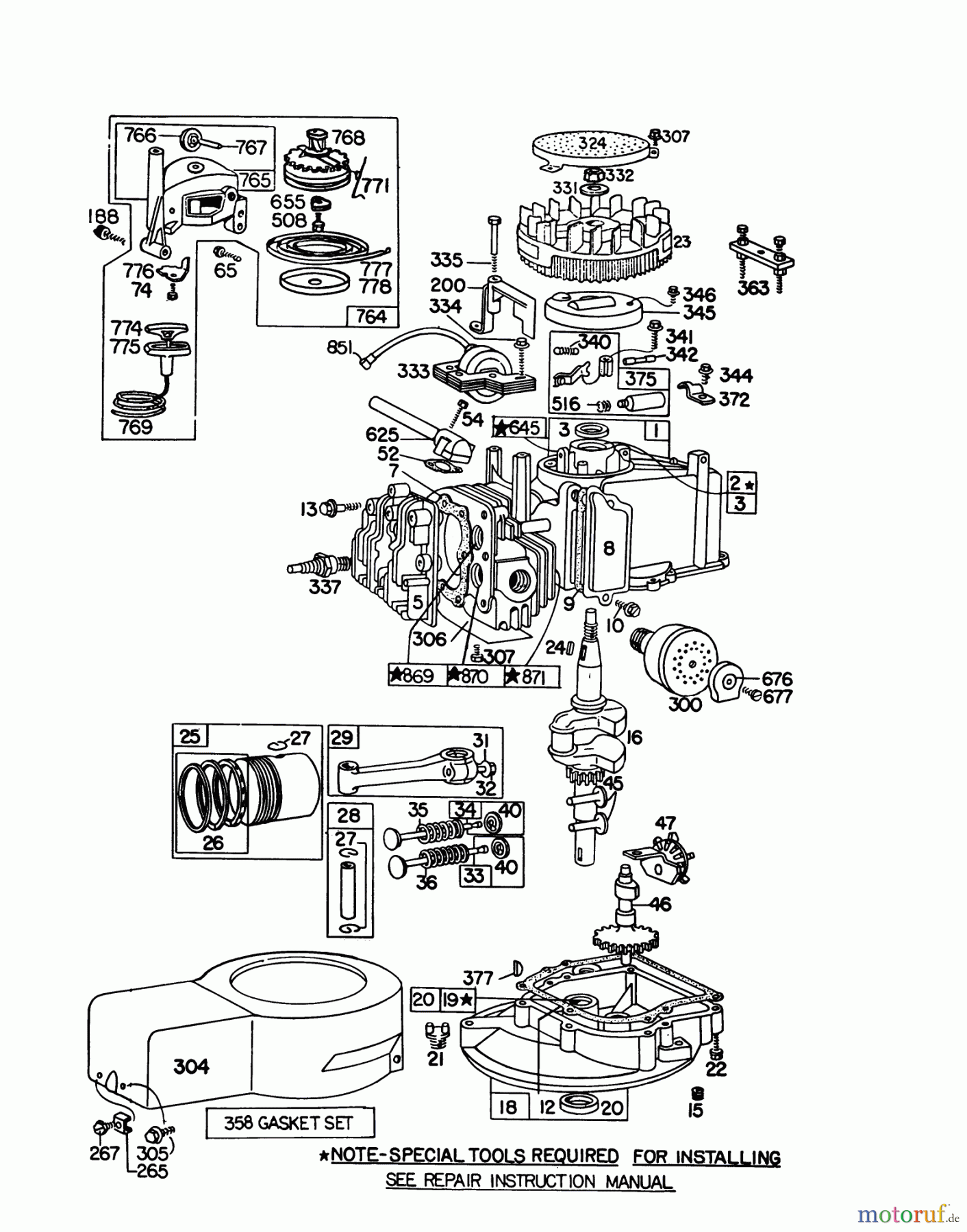
Toro 16067 - Whirlwind II Lawnmower, 1979 (9000001-9999999) ENGINE BRIGGS & STRATTON MODEL 92508-1000-01 FOR 19" HAND PROPELLED MODEL 16067 Ersatzteile
ENGINE BRIGGS & STRATTON MODEL 92508-1000-01 FOR 19" HAND PROPELLED MODEL 16067 16067 - Toro Whirlwind II Lawnmower, 1979 (9000001-9999999)

Hier finden Sie die Ersatzteilzeichnung für Toro Neu Mowers, Walk-Behind Seite 1 16067 - Toro Whirlwind II Lawnmower, 1979 (9000001-9999999) ENGINE BRIGGS & STRATTON MODEL 92508-1000-01 FOR 19" HAND PROPELLED MODEL 16067. Wählen Sie das benötigte Ersatzteil aus der Ersatzteilliste Ihres Toro Gerätes aus und bestellen Sie einfach online. Viele Toro Ersatzteile halten wir ständig in unserem Lager für Sie bereit.


Qualitätsmanagement
Informieren Sie uns, wenn Sie einen Fehler gefunden haben.







