Toro 16067 - Whirlwind II Lawnmower, 1978 (8000001-8999999) BRIGGS & STRATTON CARBURETOR ASSEMBLY MODEL 390064 FOR 19" HAND PROPELLED MODEL 16067 Ersatzteile
BRIGGS & STRATTON CARBURETOR ASSEMBLY MODEL 390064 FOR 19" HAND PROPELLED MODEL 16067 16067 - Toro Whirlwind II Lawnmower, 1978 (8000001-8999999)

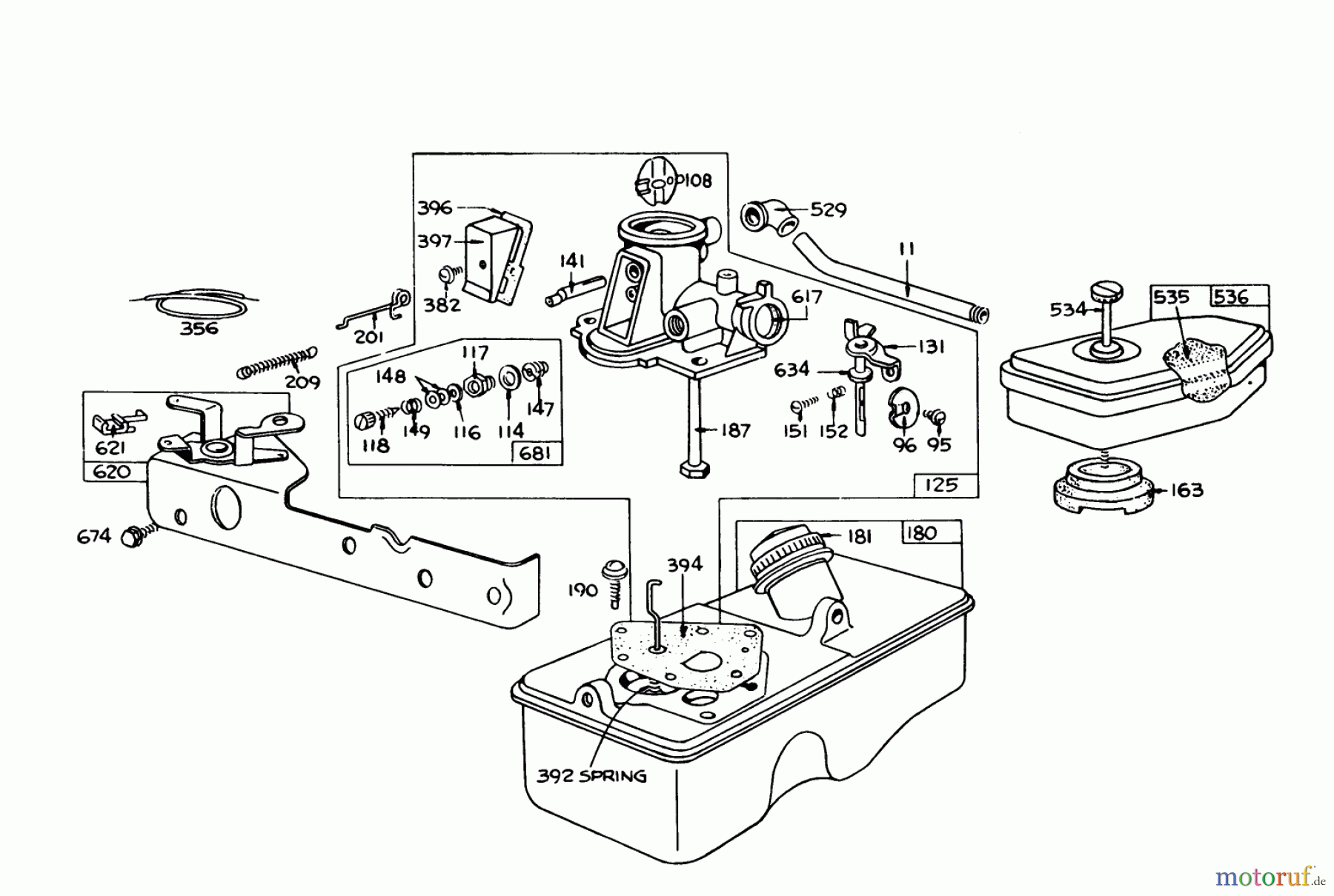
Hier finden Sie die Ersatzteilzeichnung für Toro Neu Mowers, Walk-Behind Seite 1 16067 - Toro Whirlwind II Lawnmower, 1978 (8000001-8999999) BRIGGS & STRATTON CARBURETOR ASSEMBLY MODEL 390064 FOR 19" HAND PROPELLED MODEL 16067. Wählen Sie das benötigte Ersatzteil aus der Ersatzteilliste Ihres Toro Gerätes aus und bestellen Sie einfach online. Viele Toro Ersatzteile halten wir ständig in unserem Lager für Sie bereit.
| BildNr | Artikel Nummer | Bezeichnung | |
| 11 | BS230802 | ENTLUEFTERROHR | |
| 95 | BS691437 | SCHRAUBE 90029 | |
| 96 | BS211203 | DROSSELKLAPPE | |
| 108 | BS298819 | VERWEIS ZU | |
| 114 | BS691608 | SCHEIBE | |
| 116 | BS691606 | O-RING | |
| 117 | BS690504 | MUTTER | |
| 118 | BS690266 | SCHRAUBE 23228 | |
| 125 | BS396893 | TANK & VERGASER-EINHEIT | |
| 131 | BS299977 | GESTAENGE | |
| 141 | BS68908 | STARTERKLAPPENWELLE | |
| 147 | BS692134 | VENTILSITZ | |
| 148 | BS690257 | UNTERLEGSCHEIBE | |
| 149 | BS691592 | FEDER | |
| 151 | BS93524 | SCHRAUBE 93392 | |
| 152 | BS260575 | VERWEIS ZU | |
| 163 | BS270621 | DICHTUNG 270228 | |
| 181 | BS493982 | VERWEIS ZU | |
| 187 | BS296476 | BENZINLEITUNG 295414 | |
| 190 | BS94712 | ||
| 201 | BS261027 | REGLERGESTAENGE | |
| 209 | BS261312 | REGLERFEDER | |
| 356 | BS398808 | MASSEKABEL | |
| 382 | BS93545 | SCHRAUBE | |
| 392 | BS261016 | FEDER | |
| 394 | ![]() | BS299637 | MEMBRANE |
| 396 | BS270571 | DICHTUNG | |
| 397 | BS211678 | PLATTE | |
| 529 | ![]() | BS692189 | KNIESTUECK |
| 534 | BS93374 | SCHRAUBE | |
| 535 | BS270579S | FILTEREINSATZ | |
| 536 | BS390055 | LUFTFILTER 298566 | |
| 617 | BS270344S | O-RING | |
| 620 | BS299974 | PLATTE | |
| 621 | BS297472S | AUSSCHALTER | |
| 634 | BS270167 | FILZSCHEIBE | |
| 681 | BS299060 | NADELVENTILSATZ | |


Qualitätsmanagement
Informieren Sie uns, wenn Sie einen Fehler gefunden haben.



