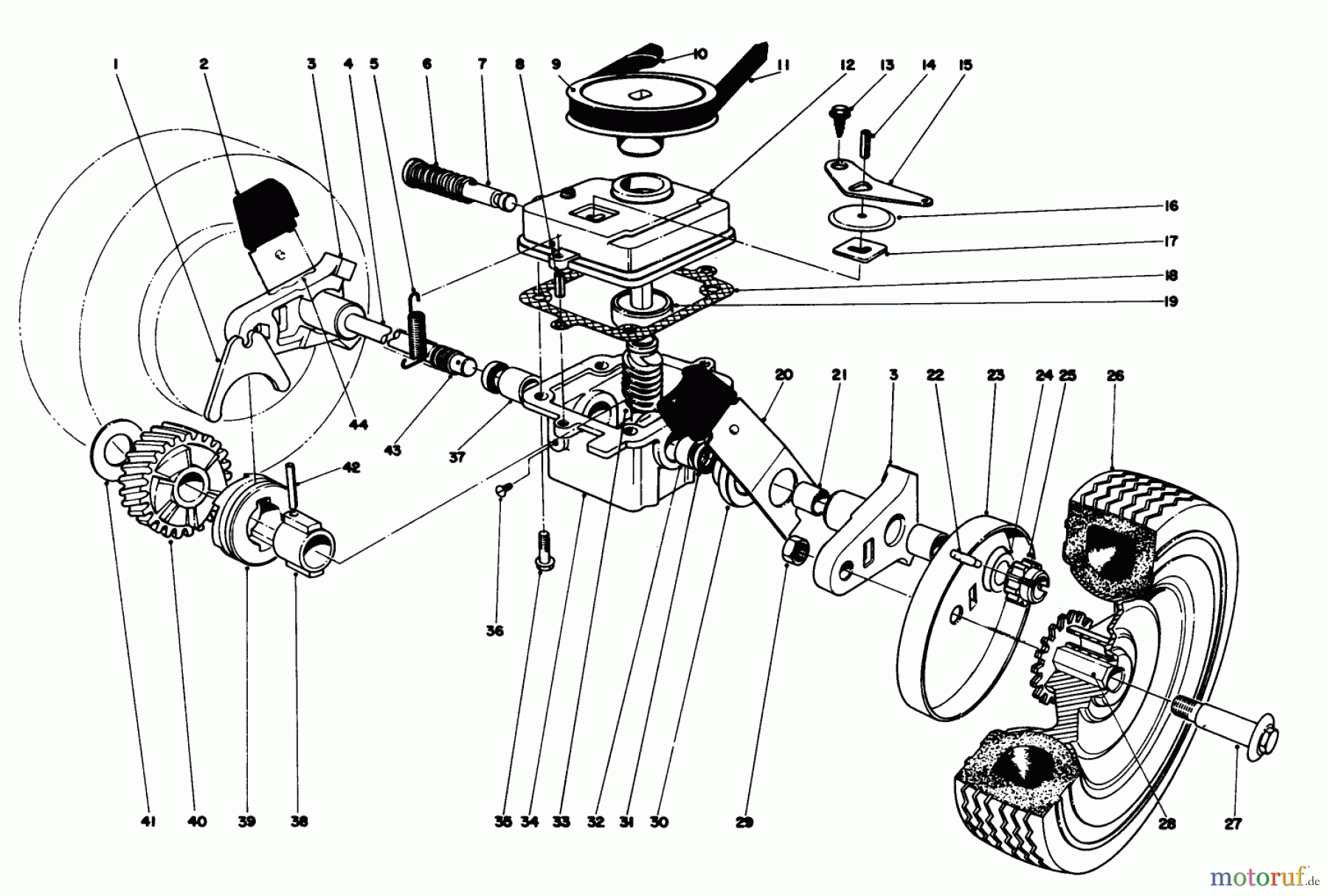
Toro 16009 - Whirlwind II Lawnmower, 1978 (8000001-8999999) GEAR BOX ASSEMBLY MODEL 16277 Ersatzteile
GEAR BOX ASSEMBLY MODEL 16277 16009 - Toro Whirlwind II Lawnmower, 1978 (8000001-8999999)

Hier finden Sie die Ersatzteilzeichnung für Toro Neu Mowers, Walk-Behind Seite 1 16009 - Toro Whirlwind II Lawnmower, 1978 (8000001-8999999) GEAR BOX ASSEMBLY MODEL 16277. Wählen Sie das benötigte Ersatzteil aus der Ersatzteilliste Ihres Toro Gerätes aus und bestellen Sie einfach online. Viele Toro Ersatzteile halten wir ständig in unserem Lager für Sie bereit.





