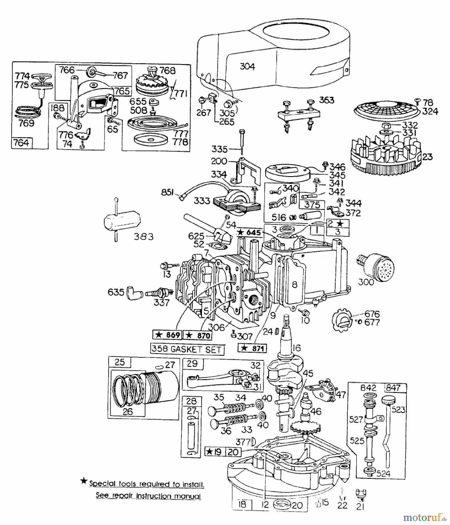
Toro 10502 - 21" Rear Bagging Lawnmower, 1981 (1000001-1999999) BRIGGS & STRATTON ENGINE MODEL NO. 110908-0529-01 Ersatzteile
BRIGGS & STRATTON ENGINE MODEL NO. 110908-0529-01 10502 - Toro 21" Rear Bagging Lawnmower, 1981 (1000001-1999999)

Hier finden Sie die Ersatzteilzeichnung für Toro Neu Mowers, Walk-Behind Seite 1 10502 - Toro 21" Rear Bagging Lawnmower, 1981 (1000001-1999999) BRIGGS & STRATTON ENGINE MODEL NO. 110908-0529-01. Wählen Sie das benötigte Ersatzteil aus der Ersatzteilliste Ihres Toro Gerätes aus und bestellen Sie einfach online. Viele Toro Ersatzteile halten wir ständig in unserem Lager für Sie bereit.








