Toro 03113 - 58" Professional, 1968 (8000001-8999999) REAR MOWER ASSEMBLY Ersatzteile
REAR MOWER ASSEMBLY 03113 - Toro 58" Professional, 1968 (8000001-8999999)

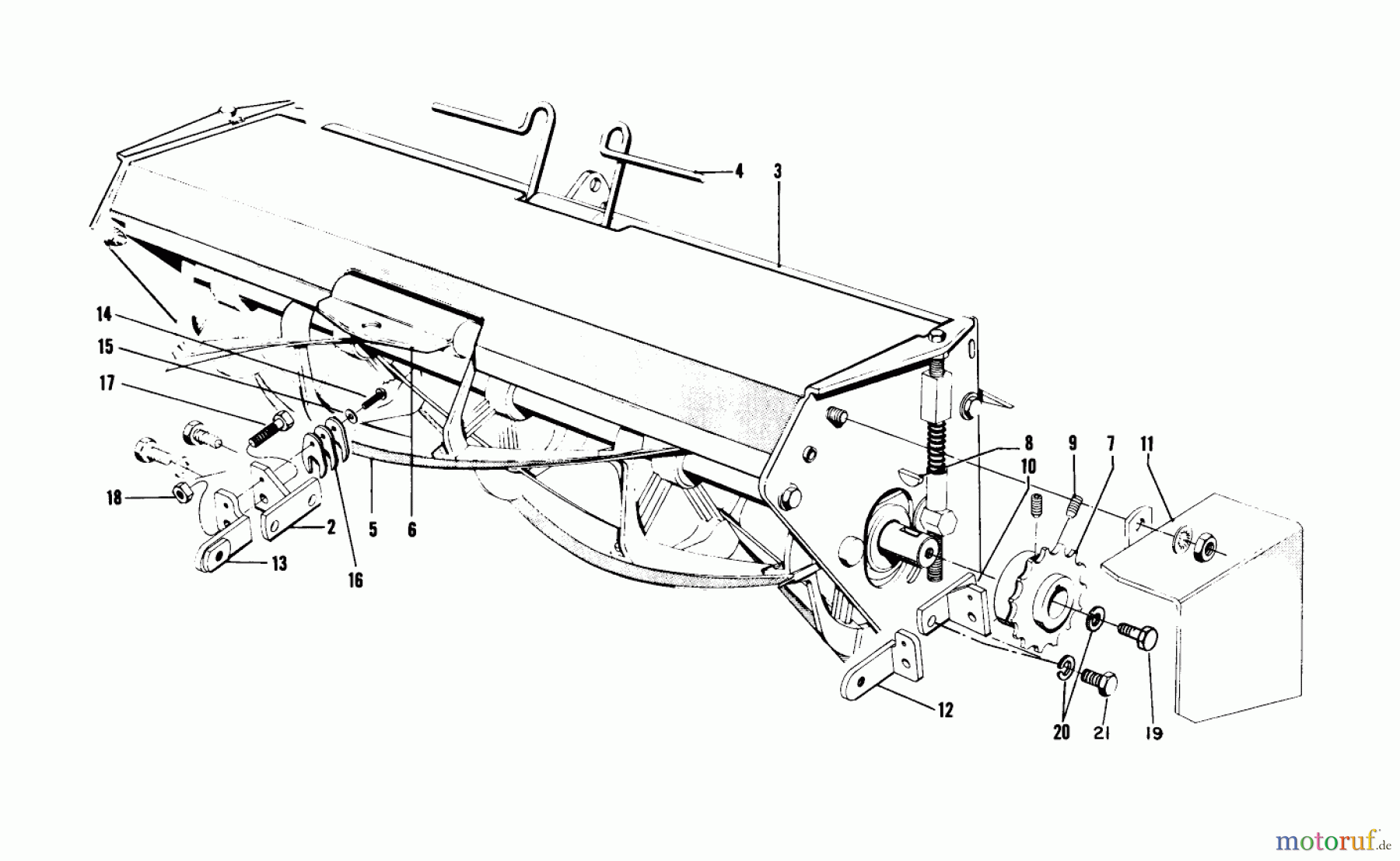
Hier finden Sie die Ersatzteilzeichnung für Toro Neu Mowers, Riding 03113 - Toro 58" Professional, 1968 (8000001-8999999) REAR MOWER ASSEMBLY. Wählen Sie das benötigte Ersatzteil aus der Ersatzteilliste Ihres Toro Gerätes aus und bestellen Sie einfach online. Viele Toro Ersatzteile halten wir ständig in unserem Lager für Sie bereit.


Qualitätsmanagement
Informieren Sie uns, wenn Sie einen Fehler gefunden haben.

