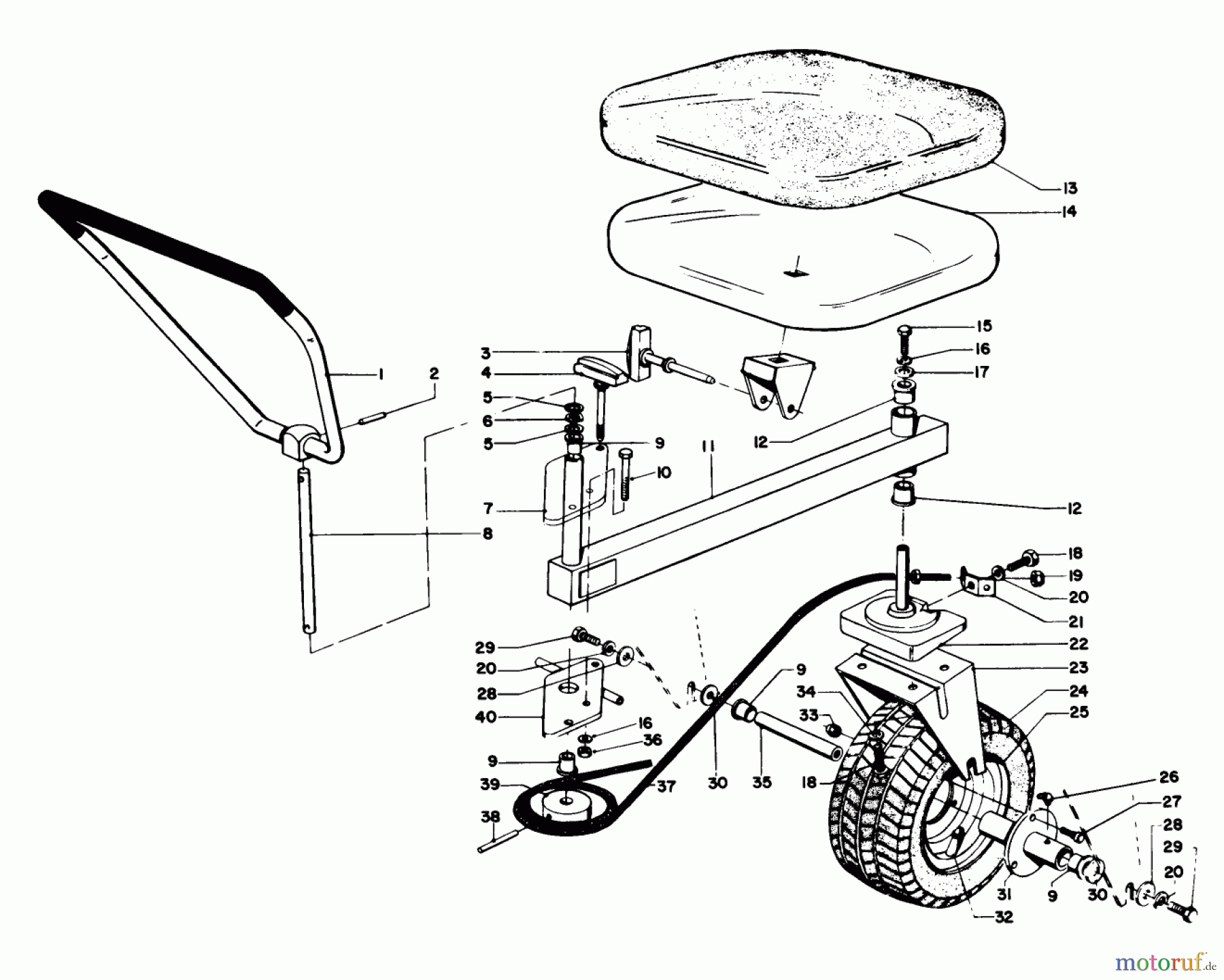
Toro 03108 - 58" Professional, 1982 (2000001-2999999) SULKY ASSEMBLY Ersatzteile
SULKY ASSEMBLY 03108 - Toro 58" Professional, 1982 (2000001-2999999)

Hier finden Sie die Ersatzteilzeichnung für Toro Neu Mowers, Riding 03108 - Toro 58" Professional, 1982 (2000001-2999999) SULKY ASSEMBLY. Wählen Sie das benötigte Ersatzteil aus der Ersatzteilliste Ihres Toro Gerätes aus und bestellen Sie einfach online. Viele Toro Ersatzteile halten wir ständig in unserem Lager für Sie bereit.


Qualitätsmanagement
Informieren Sie uns, wenn Sie einen Fehler gefunden haben.

