Toro 03108 - 58" Professional, 1982 (2000001-2999999) ENGINE BRIGGS & STRATTON MODEL NO. 130232-1123-01 #1 Ersatzteile
ENGINE BRIGGS & STRATTON MODEL NO. 130232-1123-01 #1 03108 - Toro 58" Professional, 1982 (2000001-2999999)

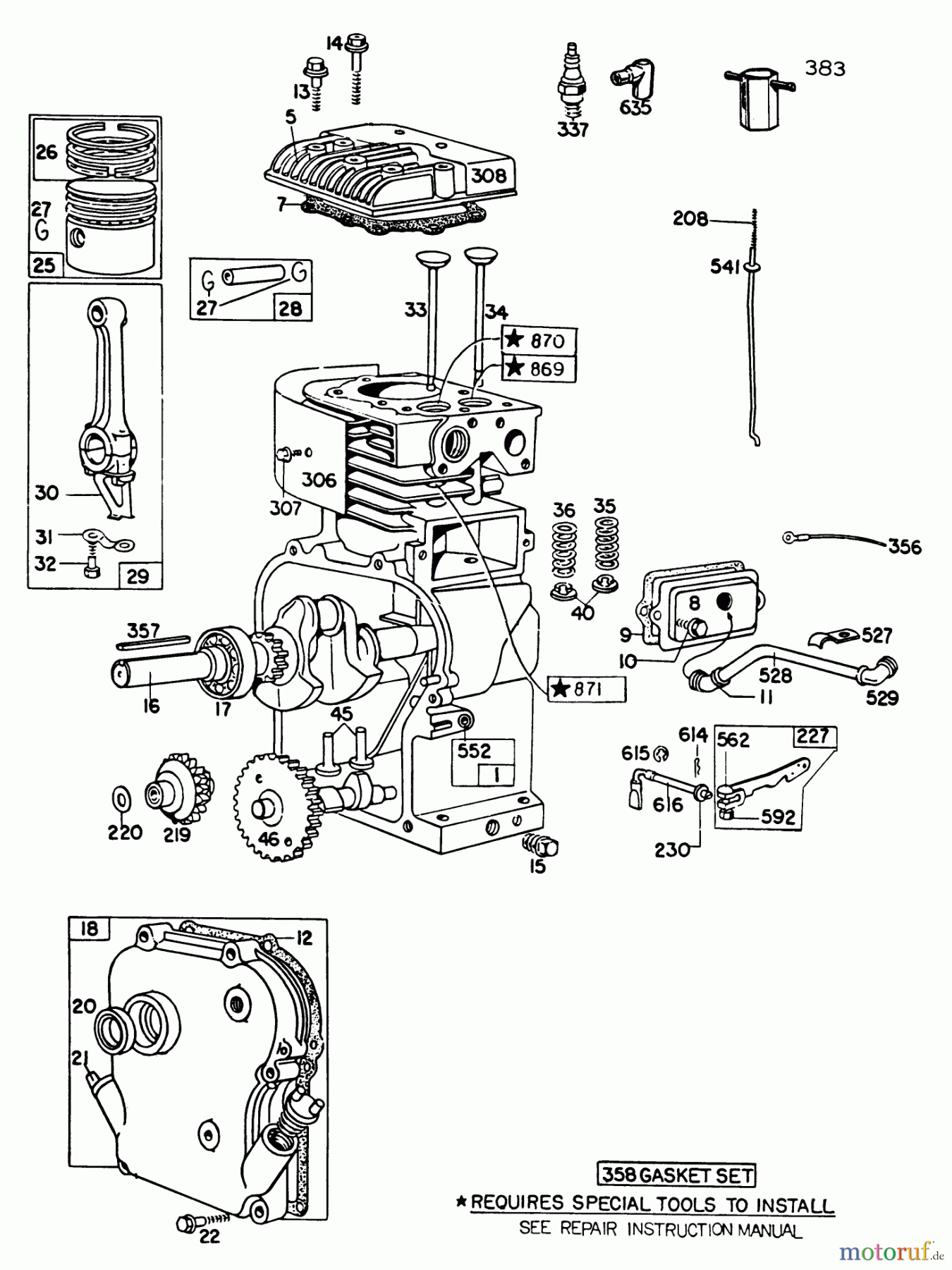
Hier finden Sie die Ersatzteilzeichnung für Toro Neu Mowers, Riding 03108 - Toro 58" Professional, 1982 (2000001-2999999) ENGINE BRIGGS & STRATTON MODEL NO. 130232-1123-01 #1. Wählen Sie das benötigte Ersatzteil aus der Ersatzteilliste Ihres Toro Gerätes aus und bestellen Sie einfach online. Viele Toro Ersatzteile halten wir ständig in unserem Lager für Sie bereit.


Qualitätsmanagement
Informieren Sie uns, wenn Sie einen Fehler gefunden haben.



