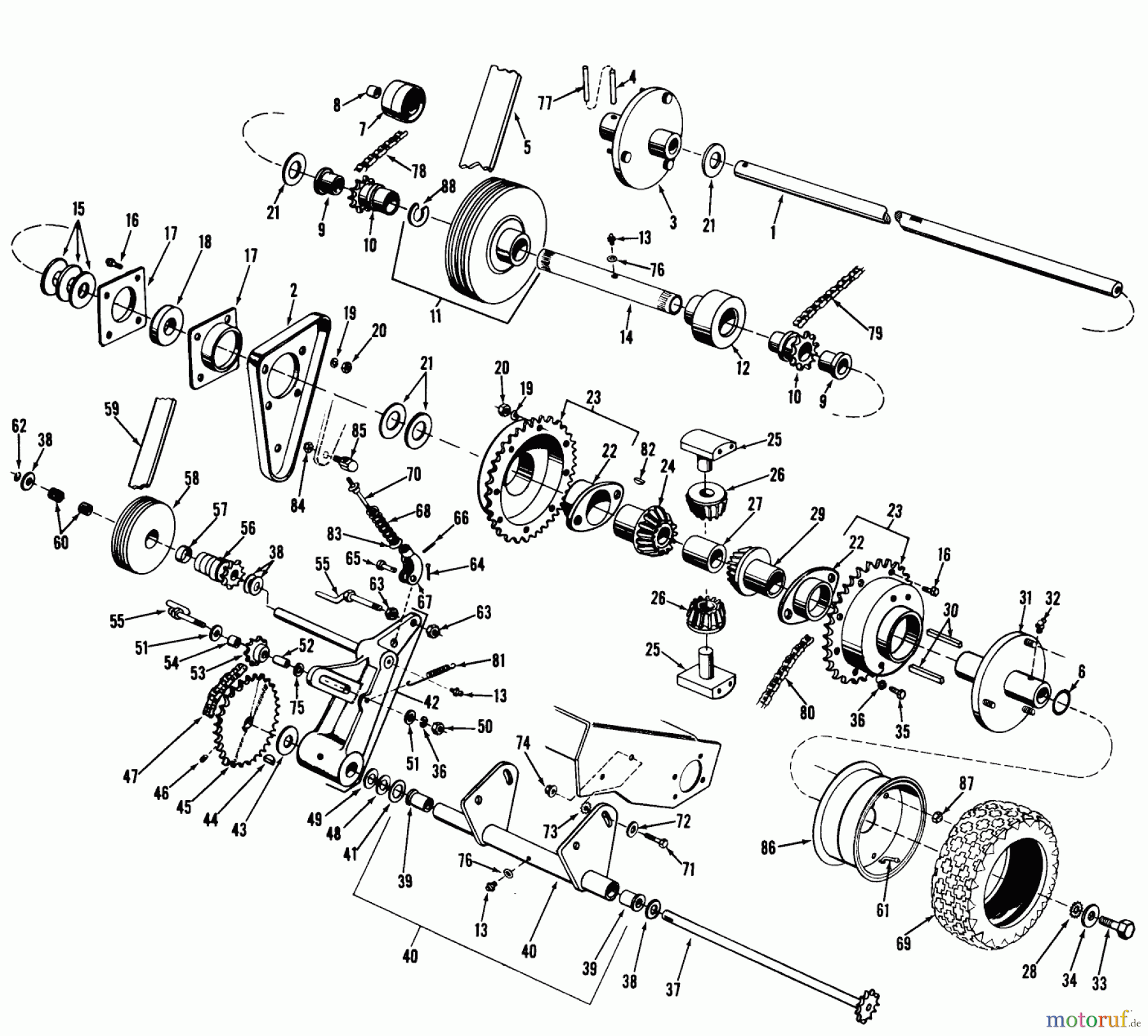
Toro 03102 - 58" Professional, 1967 (7000001-7999999) DIFFERENTIAL AND COUNTER SHAFT ASSEMBLY PARTS LIST Ersatzteile
DIFFERENTIAL AND COUNTER SHAFT ASSEMBLY PARTS LIST 03102 - Toro 58" Professional, 1967 (7000001-7999999)

Hier finden Sie die Ersatzteilzeichnung für Toro Neu Mowers, Riding 03102 - Toro 58" Professional, 1967 (7000001-7999999) DIFFERENTIAL AND COUNTER SHAFT ASSEMBLY PARTS LIST. Wählen Sie das benötigte Ersatzteil aus der Ersatzteilliste Ihres Toro Gerätes aus und bestellen Sie einfach online. Viele Toro Ersatzteile halten wir ständig in unserem Lager für Sie bereit.





