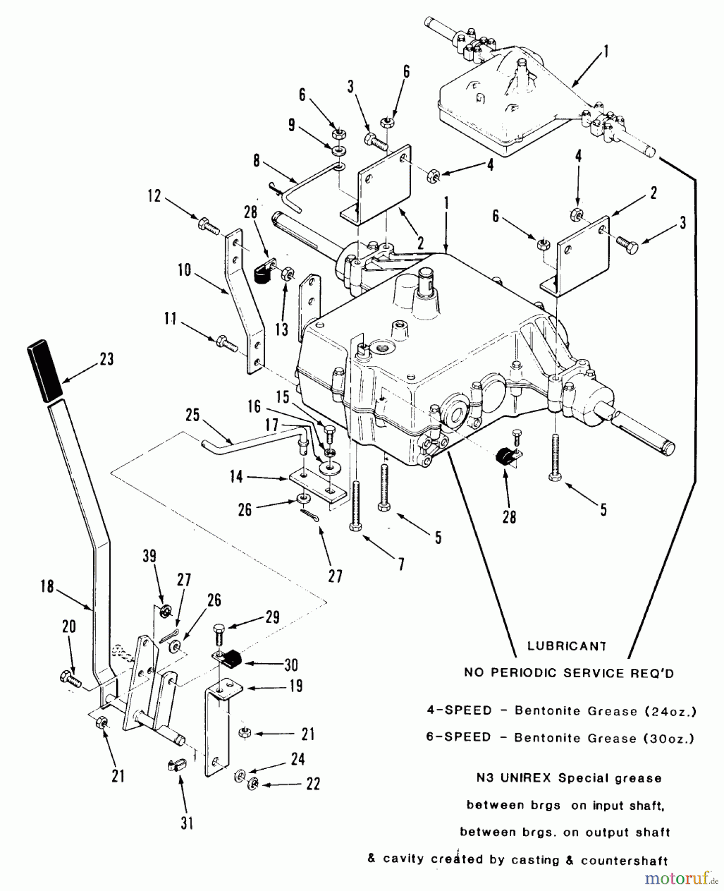
Toro R3-12K601 (112-6) - 112-6 Rear Engine Rider, 1990 MECHANICAL TRANSMISSION Ersatzteile
MECHANICAL TRANSMISSION R3-12K601 (112-6) - Toro 112-6 Rear Engine Rider, 1990

Hier finden Sie die Ersatzteilzeichnung für Toro Neu Mowers, Rear-Engine Rider R3-12K601 (112-6) - Toro 112-6 Rear Engine Rider, 1990 MECHANICAL TRANSMISSION. Wählen Sie das benötigte Ersatzteil aus der Ersatzteilliste Ihres Toro Gerätes aus und bestellen Sie einfach online. Viele Toro Ersatzteile halten wir ständig in unserem Lager für Sie bereit.




