Toro R3-10B404 (110-4) - 110-4 Rear Engine Rider, 1993 (3900001-3999999) BRIGGS & STRATTON MODEL 257707-0127-01 #1 Ersatzteile
BRIGGS & STRATTON MODEL 257707-0127-01 #1 R3-10B404 (110-4) - Toro 110-4 Rear Engine Rider, 1993 (3900001-3999999)

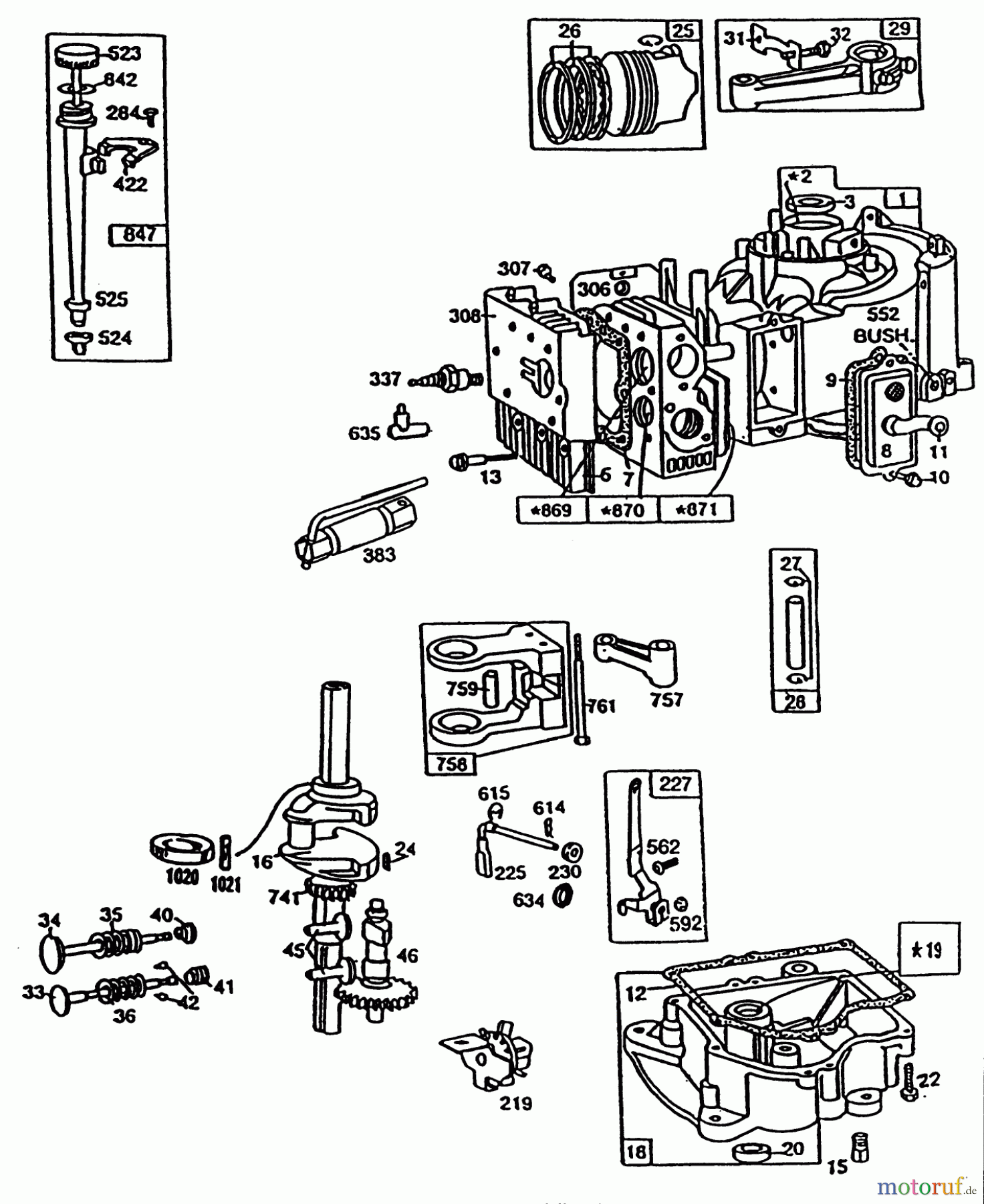
Hier finden Sie die Ersatzteilzeichnung für Toro Neu Mowers, Rear-Engine Rider R3-10B404 (110-4) - Toro 110-4 Rear Engine Rider, 1993 (3900001-3999999) BRIGGS & STRATTON MODEL 257707-0127-01 #1. Wählen Sie das benötigte Ersatzteil aus der Ersatzteilliste Ihres Toro Gerätes aus und bestellen Sie einfach online. Viele Toro Ersatzteile halten wir ständig in unserem Lager für Sie bereit.


Qualitätsmanagement
Informieren Sie uns, wenn Sie einen Fehler gefunden haben.







