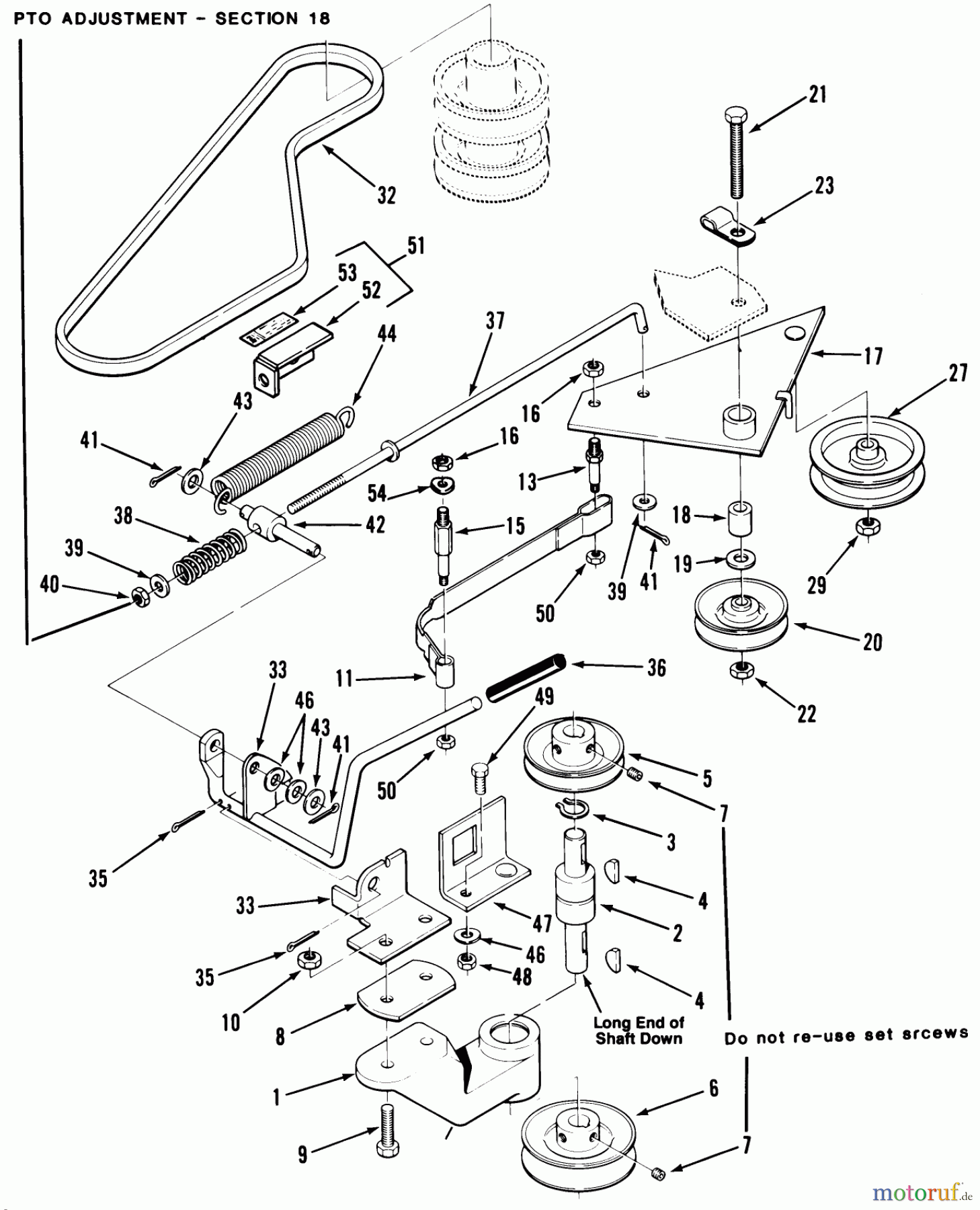
Toro B3-11B502 (111-5) - 111-5 Rear Engine Rider, 1986 PTO CLUTCH, PULLEYS, AND CONTROLS Ersatzteile
PTO CLUTCH, PULLEYS, AND CONTROLS B3-11B502 (111-5) - Toro 111-5 Rear Engine Rider, 1986

Hier finden Sie die Ersatzteilzeichnung für Toro Neu Mowers, Rear-Engine Rider B3-11B502 (111-5) - Toro 111-5 Rear Engine Rider, 1986 PTO CLUTCH, PULLEYS, AND CONTROLS. Wählen Sie das benötigte Ersatzteil aus der Ersatzteilliste Ihres Toro Gerätes aus und bestellen Sie einfach online. Viele Toro Ersatzteile halten wir ständig in unserem Lager für Sie bereit.







