Toro A3-083201 (RR-832) - RR-832 5-Speed Rear Engine Rider, 1982 32 IN/81 CM MOWER DECK-8 HP RIDER Ersatzteile
32 IN/81 CM MOWER DECK-8 HP RIDER A3-083201 (RR-832) - Toro RR-832 5-Speed Rear Engine Rider, 1982

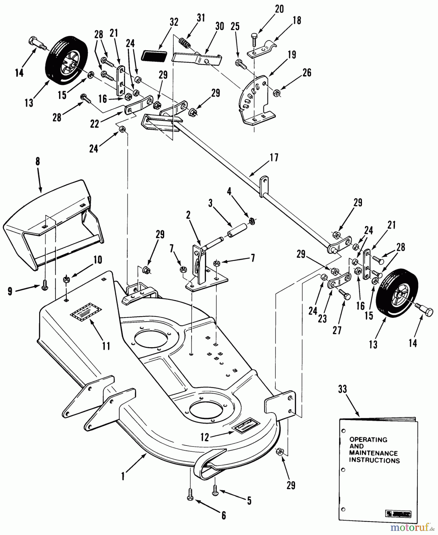
Hier finden Sie die Ersatzteilzeichnung für Toro Neu Mowers, Rear-Engine Rider A3-083201 (RR-832) - Toro RR-832 5-Speed Rear Engine Rider, 1982 32 IN/81 CM MOWER DECK-8 HP RIDER. Wählen Sie das benötigte Ersatzteil aus der Ersatzteilliste Ihres Toro Gerätes aus und bestellen Sie einfach online. Viele Toro Ersatzteile halten wir ständig in unserem Lager für Sie bereit.


Qualitätsmanagement
Informieren Sie uns, wenn Sie einen Fehler gefunden haben.




