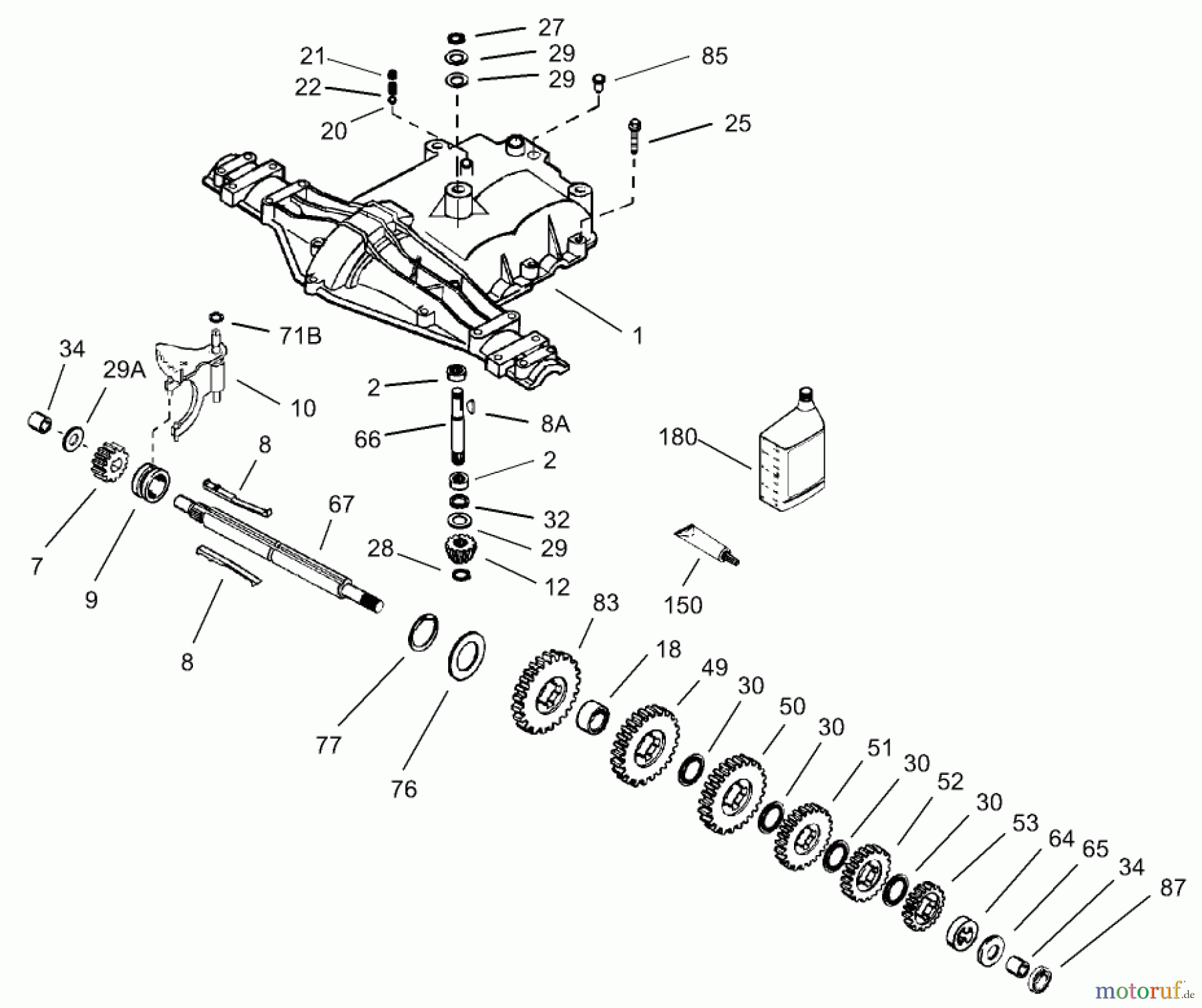
Toro 70185 (13-32G) - 13-32G Rear-Engine Riding Mower, 2004 (240000001-240999999) COVER ASSEMBLY PEERLESS NO. MST205-542D Ersatzteile
COVER ASSEMBLY PEERLESS NO. MST205-542D 70185 (13-32G) - Toro 13-32G Rear-Engine Riding Mower, 2004 (240000001-240999999)

Hier finden Sie die Ersatzteilzeichnung für Toro Neu Mowers, Rear-Engine Rider 70185 (13-32G) - Toro 13-32G Rear-Engine Riding Mower, 2004 (240000001-240999999) COVER ASSEMBLY PEERLESS NO. MST205-542D. Wählen Sie das benötigte Ersatzteil aus der Ersatzteilliste Ihres Toro Gerätes aus und bestellen Sie einfach online. Viele Toro Ersatzteile halten wir ständig in unserem Lager für Sie bereit.




