Toro 70171 (12-32) - 12-32 Rear Engine Rider, 2001 (210000001-210999999) ENGINE BRIGGS & STRATTON MODEL 28M707-1182-E1 #1 Ersatzteile
ENGINE BRIGGS & STRATTON MODEL 28M707-1182-E1 #1 70171 (12-32) - Toro 12-32 Rear Engine Rider, 2001 (210000001-210999999)

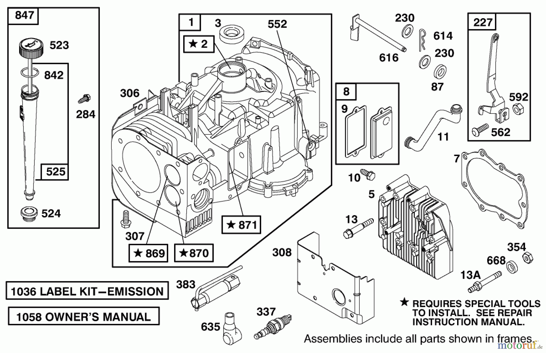
Hier finden Sie die Ersatzteilzeichnung für Toro Neu Mowers, Rear-Engine Rider 70171 (12-32) - Toro 12-32 Rear Engine Rider, 2001 (210000001-210999999) ENGINE BRIGGS & STRATTON MODEL 28M707-1182-E1 #1. Wählen Sie das benötigte Ersatzteil aus der Ersatzteilliste Ihres Toro Gerätes aus und bestellen Sie einfach online. Viele Toro Ersatzteile halten wir ständig in unserem Lager für Sie bereit.








