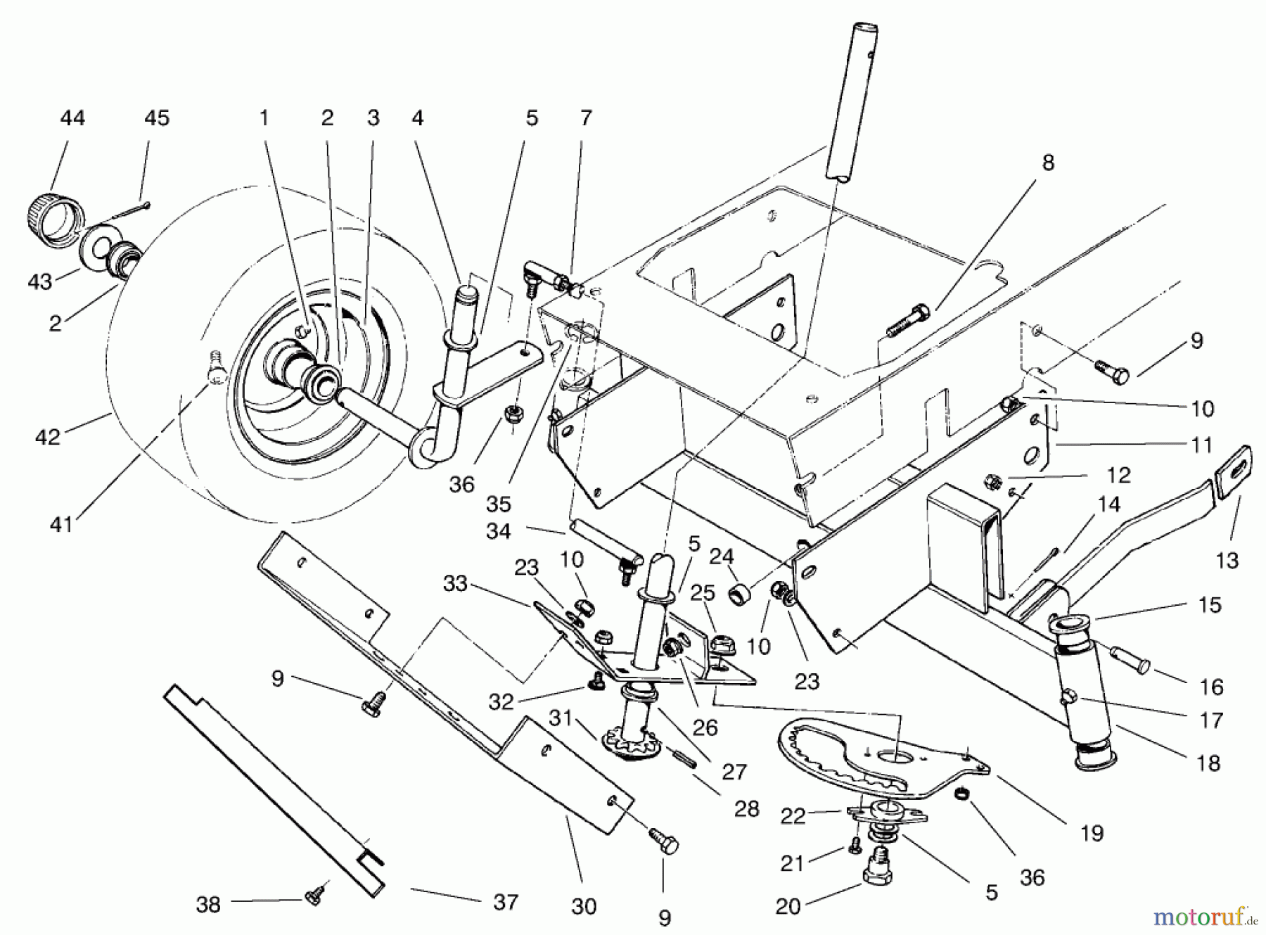
Toro 70142 (11-32) - 11-32 Rear Engine Rider, 1997 (79000001-79999999) FRONT AXLE ASSEMBLY Ersatzteile
FRONT AXLE ASSEMBLY 70142 (11-32) - Toro 11-32 Rear Engine Rider, 1997 (79000001-79999999)

Hier finden Sie die Ersatzteilzeichnung für Toro Neu Mowers, Rear-Engine Rider 70142 (11-32) - Toro 11-32 Rear Engine Rider, 1997 (79000001-79999999) FRONT AXLE ASSEMBLY. Wählen Sie das benötigte Ersatzteil aus der Ersatzteilliste Ihres Toro Gerätes aus und bestellen Sie einfach online. Viele Toro Ersatzteile halten wir ständig in unserem Lager für Sie bereit.






