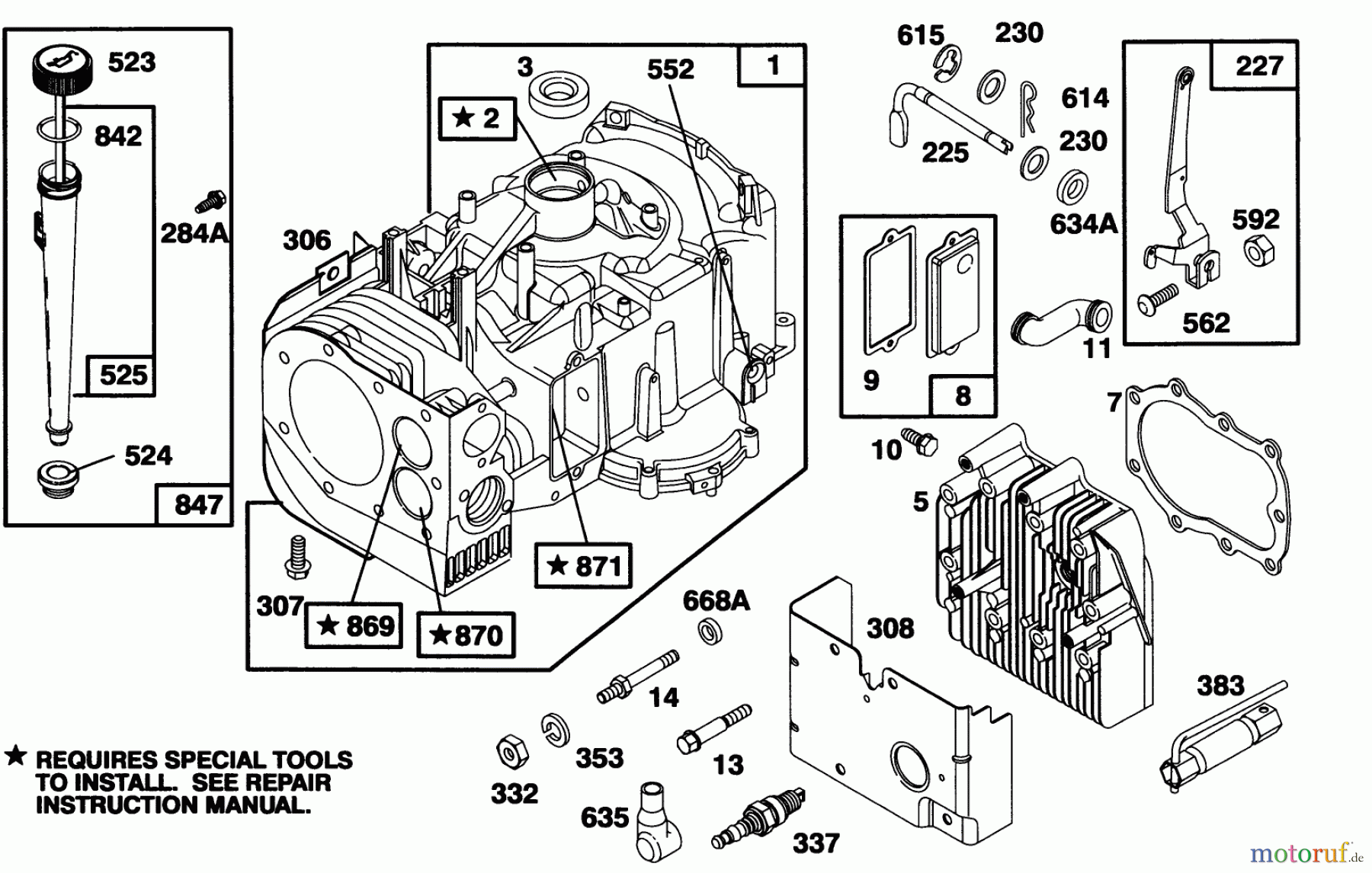
Toro 70141 (12-32) - 12-32 Rear Engine Rider, 1995 (59000001-59999999) ENGINE BRIGGS & STRATTON MODEL 283707-0160-01 #1 Ersatzteile
ENGINE BRIGGS & STRATTON MODEL 283707-0160-01 #1 70141 (12-32) - Toro 12-32 Rear Engine Rider, 1995 (59000001-59999999)

Hier finden Sie die Ersatzteilzeichnung für Toro Neu Mowers, Rear-Engine Rider 70141 (12-32) - Toro 12-32 Rear Engine Rider, 1995 (59000001-59999999) ENGINE BRIGGS & STRATTON MODEL 283707-0160-01 #1. Wählen Sie das benötigte Ersatzteil aus der Ersatzteilliste Ihres Toro Gerätes aus und bestellen Sie einfach online. Viele Toro Ersatzteile halten wir ständig in unserem Lager für Sie bereit.







