Toro 70120 (12-32) - 12-32 Recycler Rider, 1996 (6900001-6999999) ENGINE BRIGGS & STRATTON MODEL 28B707-0126-01 #8 Ersatzteile
ENGINE BRIGGS & STRATTON MODEL 28B707-0126-01 #8 70120 (12-32) - Toro 12-32 Recycler Rider, 1996 (6900001-6999999)

Hier finden Sie die Ersatzteilzeichnung für Toro Neu Mowers, Rear-Engine Rider 70120 (12-32) - Toro 12-32 Recycler Rider, 1996 (6900001-6999999) ENGINE BRIGGS & STRATTON MODEL 28B707-0126-01 #8. Wählen Sie das benötigte Ersatzteil aus der Ersatzteilliste Ihres Toro Gerätes aus und bestellen Sie einfach online. Viele Toro Ersatzteile halten wir ständig in unserem Lager für Sie bereit.
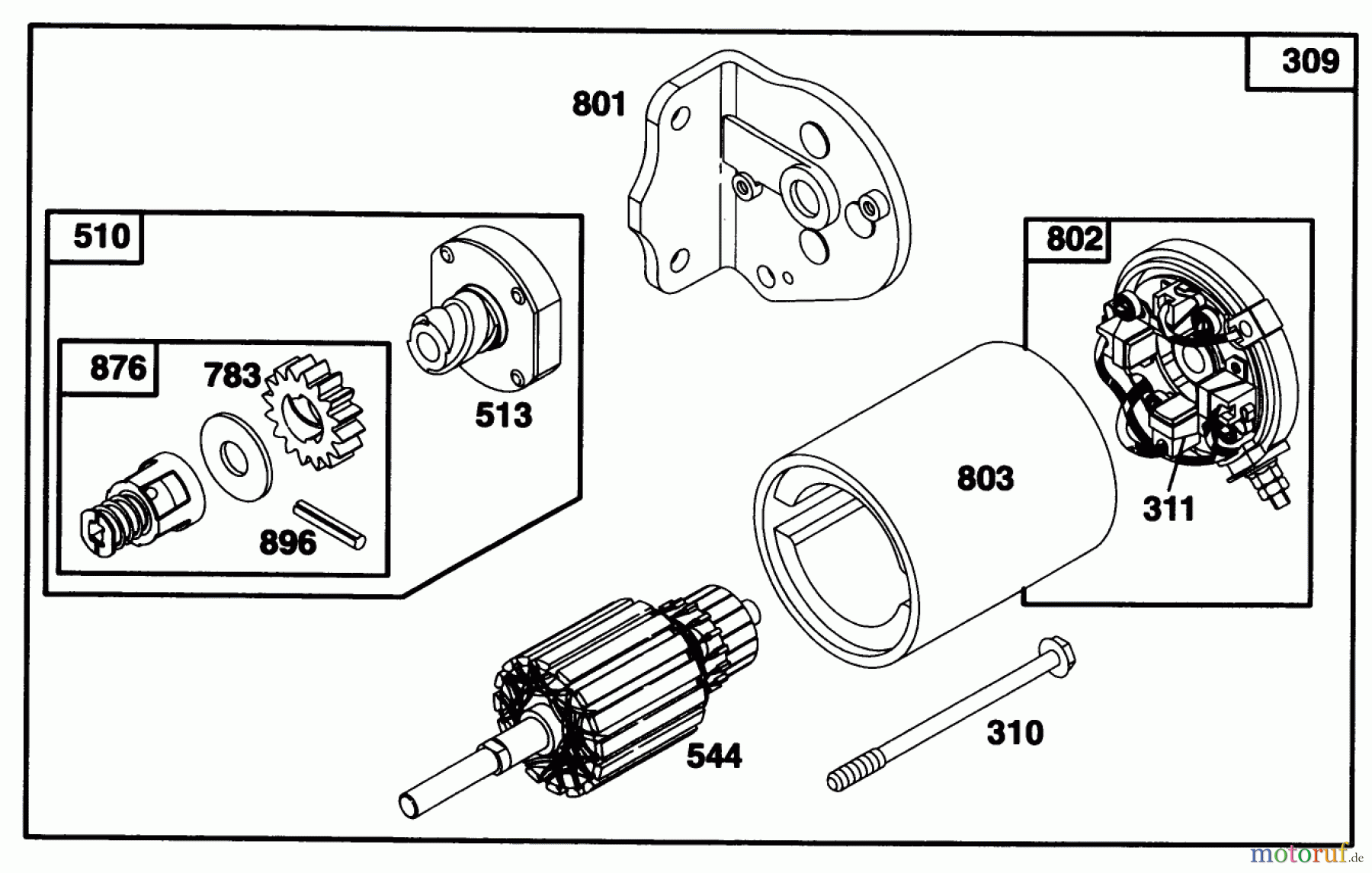
| BildNr | Artikel Nummer | Bezeichnung | |
| 309 | ![]() | BS497595 | STARTERMOTOR |
| 310 | BS690323 | BOLZEN | |
| 311 | BS395538 | BUERSTENSATZ | |
| 510 | BS696540 | ANTRIEB | |
| 513 | BS692024 | STARTERKUPPLUNG | |
| 544 | BS390837 | ANKER 392747 | |
| 783 | BS280104S | VERWEIS ZU | |
| 801 | BS691429 | VERWEIS ZU | |
| 802 | BS395537 | DECKEL | |
| 803 | BS398159 | STARTERGEHAUSE | |
| 876 | BS696539 | KIT-PINION SPRING | |
| 896 | BS691641 | SCHWERSPANNSTIFT | |


Qualitätsmanagement
Informieren Sie uns, wenn Sie einen Fehler gefunden haben.


