Toro 70089 (12-32) - 12-32 Rear Engine Rider, 2001 (210000001-210999999) PEERLESS TRANSAXLE MODEL NO. 915-019 Ersatzteile
PEERLESS TRANSAXLE MODEL NO. 915-019 70089 (12-32) - Toro 12-32 Rear Engine Rider, 2001 (210000001-210999999)

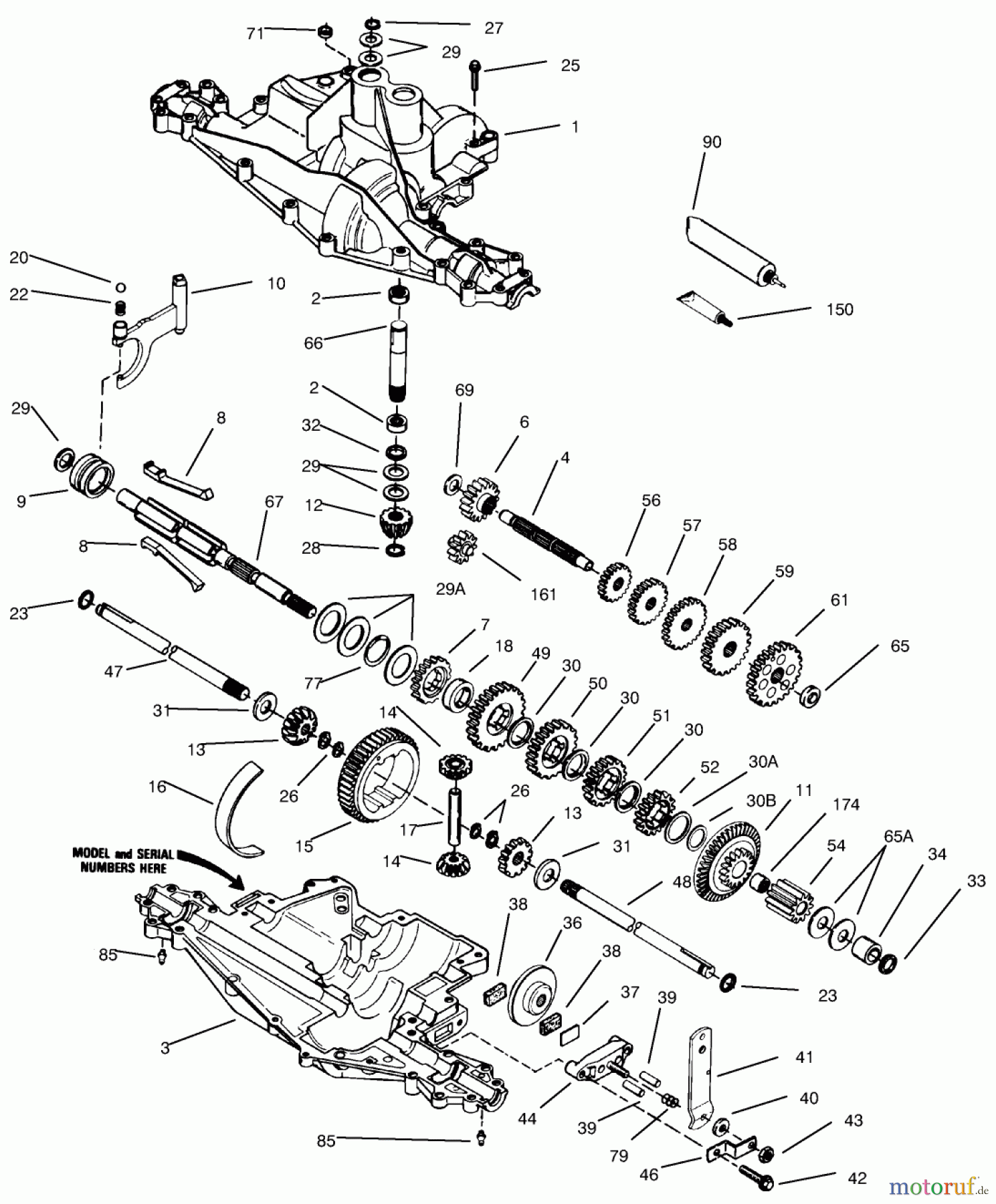
Hier finden Sie die Ersatzteilzeichnung für Toro Neu Mowers, Rear-Engine Rider 70089 (12-32) - Toro 12-32 Rear Engine Rider, 2001 (210000001-210999999) PEERLESS TRANSAXLE MODEL NO. 915-019. Wählen Sie das benötigte Ersatzteil aus der Ersatzteilliste Ihres Toro Gerätes aus und bestellen Sie einfach online. Viele Toro Ersatzteile halten wir ständig in unserem Lager für Sie bereit.


Qualitätsmanagement
Informieren Sie uns, wenn Sie einen Fehler gefunden haben.



