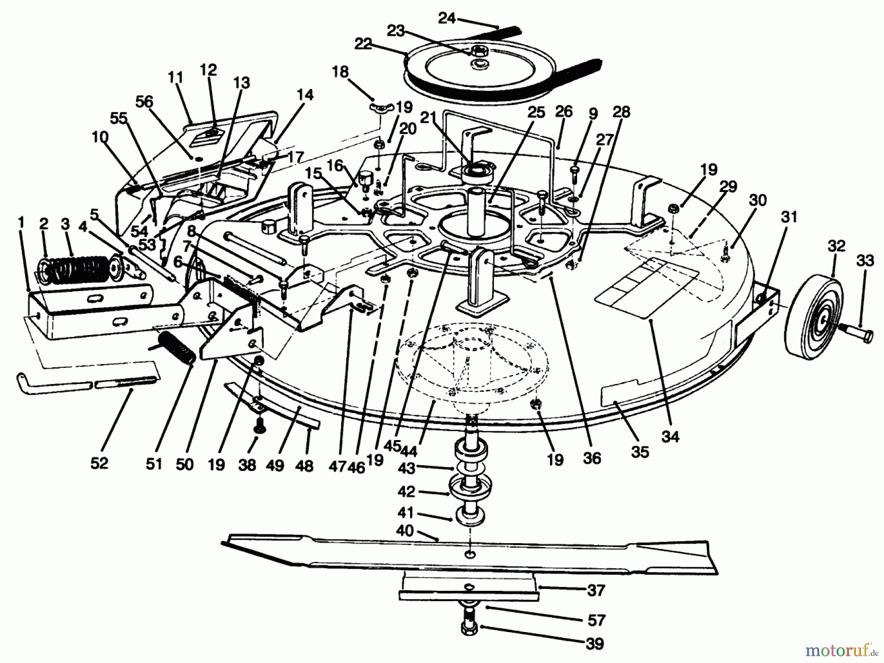
Toro 70080 (10-32) - 10-32 Recycler Rider, 1996 (6900001-6999999) MOWER ASSEMBLY-RECYCLER Ersatzteile
MOWER ASSEMBLY-RECYCLER 70080 (10-32) - Toro 10-32 Recycler Rider, 1996 (6900001-6999999)

Hier finden Sie die Ersatzteilzeichnung für Toro Neu Mowers, Rear-Engine Rider 70080 (10-32) - Toro 10-32 Recycler Rider, 1996 (6900001-6999999) MOWER ASSEMBLY-RECYCLER. Wählen Sie das benötigte Ersatzteil aus der Ersatzteilliste Ihres Toro Gerätes aus und bestellen Sie einfach online. Viele Toro Ersatzteile halten wir ständig in unserem Lager für Sie bereit.









