Toro 70080 (10-32) - 10-32 Recycler Rider, 1996 (6900001-6999999) BRIGGS & STRATTON MODEL NO. 286707-0119-01 #1 Ersatzteile
BRIGGS & STRATTON MODEL NO. 286707-0119-01 #1 70080 (10-32) - Toro 10-32 Recycler Rider, 1996 (6900001-6999999)

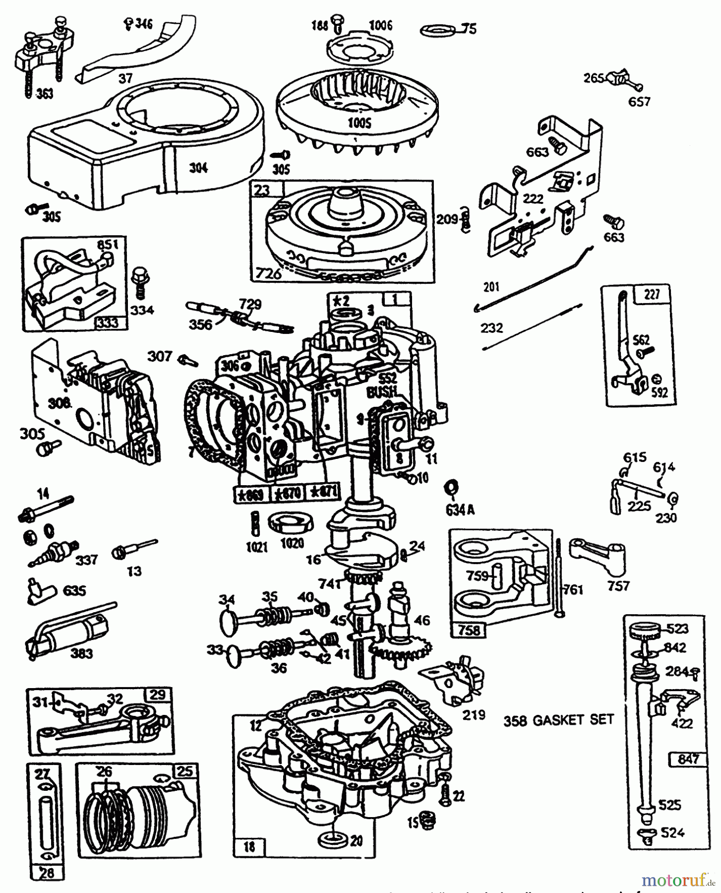
Hier finden Sie die Ersatzteilzeichnung für Toro Neu Mowers, Rear-Engine Rider 70080 (10-32) - Toro 10-32 Recycler Rider, 1996 (6900001-6999999) BRIGGS & STRATTON MODEL NO. 286707-0119-01 #1. Wählen Sie das benötigte Ersatzteil aus der Ersatzteilliste Ihres Toro Gerätes aus und bestellen Sie einfach online. Viele Toro Ersatzteile halten wir ständig in unserem Lager für Sie bereit.


Qualitätsmanagement
Informieren Sie uns, wenn Sie einen Fehler gefunden haben.








