Toro 56525 - 25" Whirlwind Rider, 1972 (2000001-2999999) FRAME ASSEMBLY (ELECTRIC) Ersatzteile
FRAME ASSEMBLY (ELECTRIC) 56525 - Toro 25" Whirlwind Rider, 1972 (2000001-2999999)

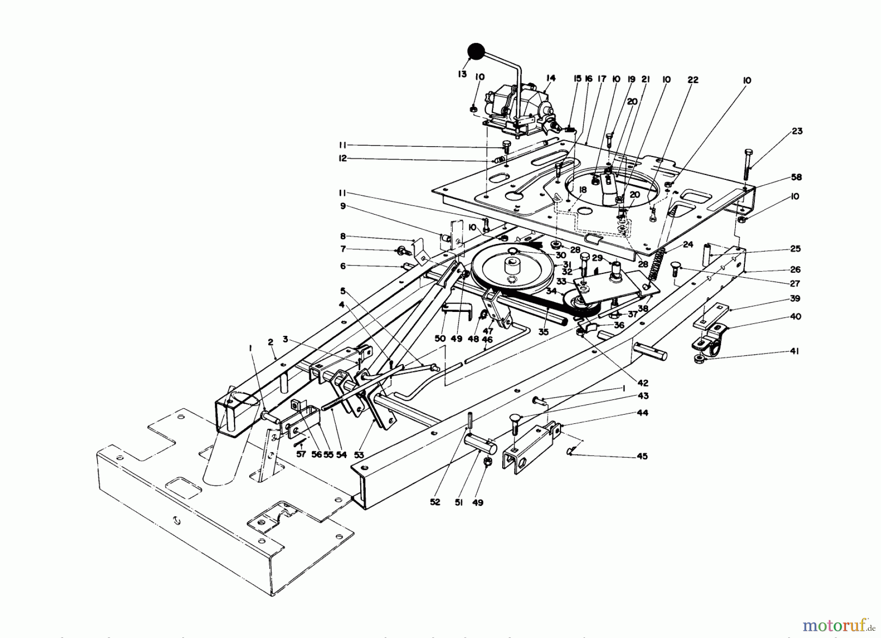
Hier finden Sie die Ersatzteilzeichnung für Toro Neu Mowers, Rear-Engine Rider 56525 - Toro 25" Whirlwind Rider, 1972 (2000001-2999999) FRAME ASSEMBLY (ELECTRIC). Wählen Sie das benötigte Ersatzteil aus der Ersatzteilliste Ihres Toro Gerätes aus und bestellen Sie einfach online. Viele Toro Ersatzteile halten wir ständig in unserem Lager für Sie bereit.


Qualitätsmanagement
Informieren Sie uns, wenn Sie einen Fehler gefunden haben.

