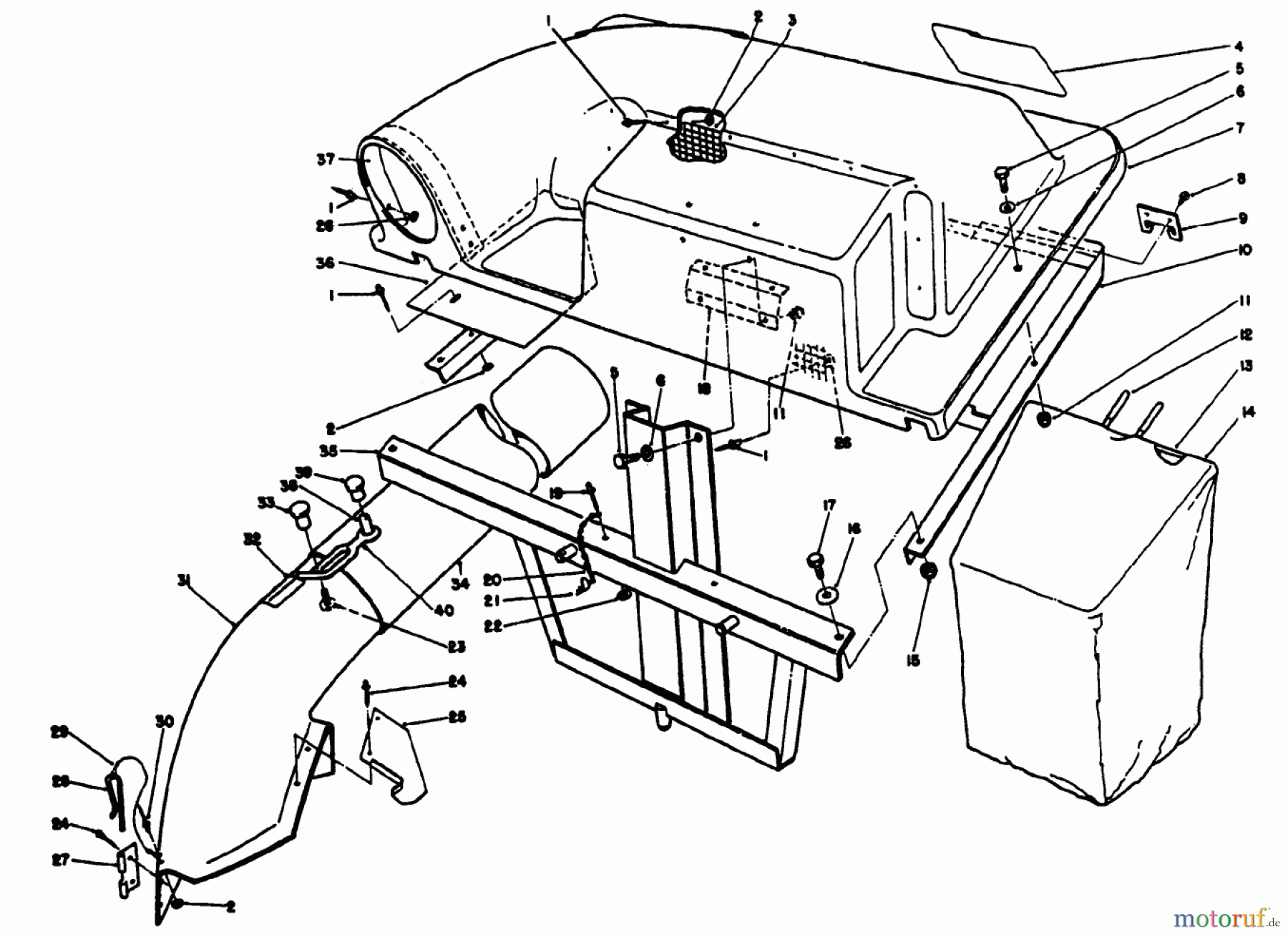
Toro 56185 (8-32) - 8-32 Rear Engine Rider, 1992 (2000001-2999999) TWIN BAGGER GRASS CATCHER MODEL 59184 (OPT.) Ersatzteile
TWIN BAGGER GRASS CATCHER MODEL 59184 (OPT.) 56185 (8-32) - Toro 8-32 Rear Engine Rider, 1992 (2000001-2999999)

Hier finden Sie die Ersatzteilzeichnung für Toro Neu Mowers, Rear-Engine Rider 56185 (8-32) - Toro 8-32 Rear Engine Rider, 1992 (2000001-2999999) TWIN BAGGER GRASS CATCHER MODEL 59184 (OPT.). Wählen Sie das benötigte Ersatzteil aus der Ersatzteilliste Ihres Toro Gerätes aus und bestellen Sie einfach online. Viele Toro Ersatzteile halten wir ständig in unserem Lager für Sie bereit.


Qualitätsmanagement
Informieren Sie uns, wenn Sie einen Fehler gefunden haben.





