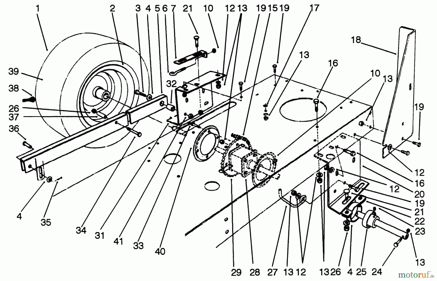
Toro 56185 (8-32) - 8-32 Rear Engine Rider, 1992 (2000001-2999999) REAR AXLE ASSEMBLY Ersatzteile
REAR AXLE ASSEMBLY 56185 (8-32) - Toro 8-32 Rear Engine Rider, 1992 (2000001-2999999)

Hier finden Sie die Ersatzteilzeichnung für Toro Neu Mowers, Rear-Engine Rider 56185 (8-32) - Toro 8-32 Rear Engine Rider, 1992 (2000001-2999999) REAR AXLE ASSEMBLY. Wählen Sie das benötigte Ersatzteil aus der Ersatzteilliste Ihres Toro Gerätes aus und bestellen Sie einfach online. Viele Toro Ersatzteile halten wir ständig in unserem Lager für Sie bereit.


Qualitätsmanagement
Informieren Sie uns, wenn Sie einen Fehler gefunden haben.




