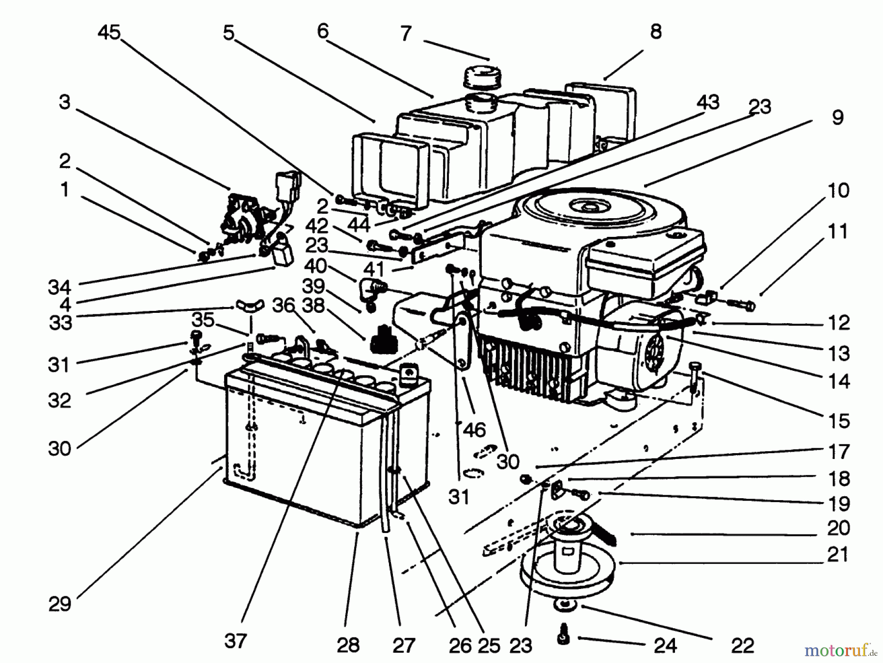
Toro 56185 (8-32) - 8-32 Rear Engine Rider, 1992 (2000001-2999999) ENGINE ASSEMBLY #1 Ersatzteile
ENGINE ASSEMBLY #1 56185 (8-32) - Toro 8-32 Rear Engine Rider, 1992 (2000001-2999999)

Hier finden Sie die Ersatzteilzeichnung für Toro Neu Mowers, Rear-Engine Rider 56185 (8-32) - Toro 8-32 Rear Engine Rider, 1992 (2000001-2999999) ENGINE ASSEMBLY #1. Wählen Sie das benötigte Ersatzteil aus der Ersatzteilliste Ihres Toro Gerätes aus und bestellen Sie einfach online. Viele Toro Ersatzteile halten wir ständig in unserem Lager für Sie bereit.


Qualitätsmanagement
Informieren Sie uns, wenn Sie einen Fehler gefunden haben.





