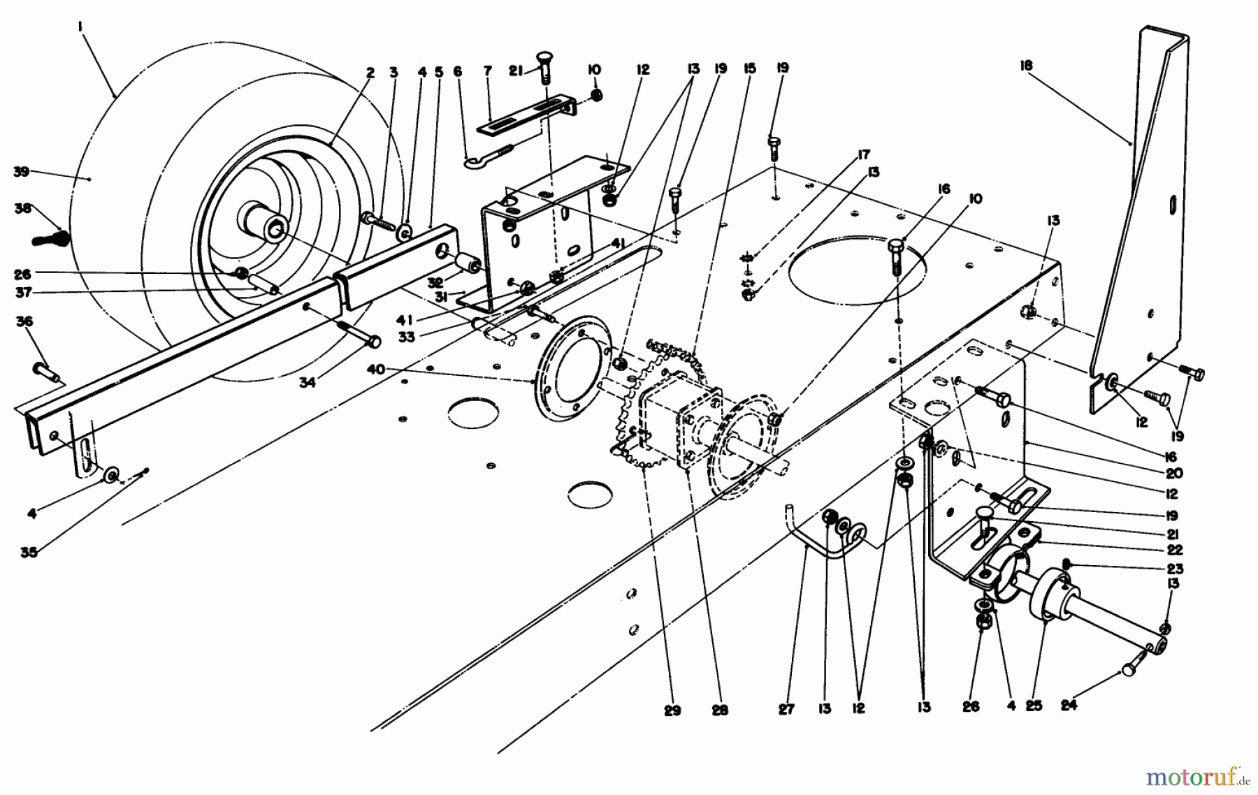
Toro 56177 (12-32) - 12-32 Rear Engine Rider, 1992 (2000001-2999999) REAR AXLE ASSEMBLY Ersatzteile
REAR AXLE ASSEMBLY 56177 (12-32) - Toro 12-32 Rear Engine Rider, 1992 (2000001-2999999)

Hier finden Sie die Ersatzteilzeichnung für Toro Neu Mowers, Rear-Engine Rider 56177 (12-32) - Toro 12-32 Rear Engine Rider, 1992 (2000001-2999999) REAR AXLE ASSEMBLY. Wählen Sie das benötigte Ersatzteil aus der Ersatzteilliste Ihres Toro Gerätes aus und bestellen Sie einfach online. Viele Toro Ersatzteile halten wir ständig in unserem Lager für Sie bereit.






