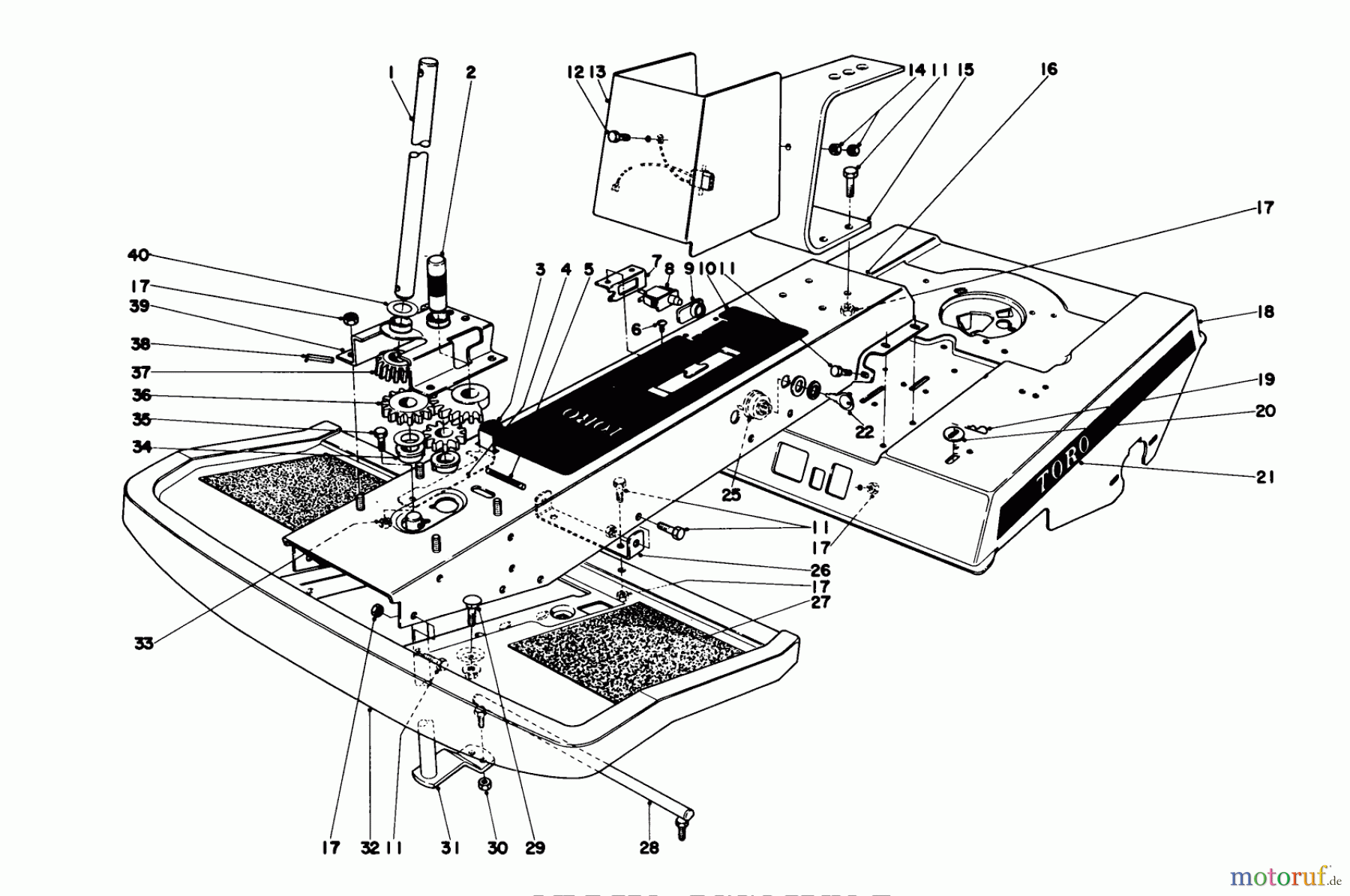
Toro 56173 - 32" Sportsman Electric, 1972 (2000001-2999999) FRAME ASSEMBLY Ersatzteile
FRAME ASSEMBLY 56173 - Toro 32" Sportsman Electric, 1972 (2000001-2999999)

Hier finden Sie die Ersatzteilzeichnung für Toro Neu Mowers, Rear-Engine Rider 56173 - Toro 32" Sportsman Electric, 1972 (2000001-2999999) FRAME ASSEMBLY. Wählen Sie das benötigte Ersatzteil aus der Ersatzteilliste Ihres Toro Gerätes aus und bestellen Sie einfach online. Viele Toro Ersatzteile halten wir ständig in unserem Lager für Sie bereit.


Qualitätsmanagement
Informieren Sie uns, wenn Sie einen Fehler gefunden haben.

