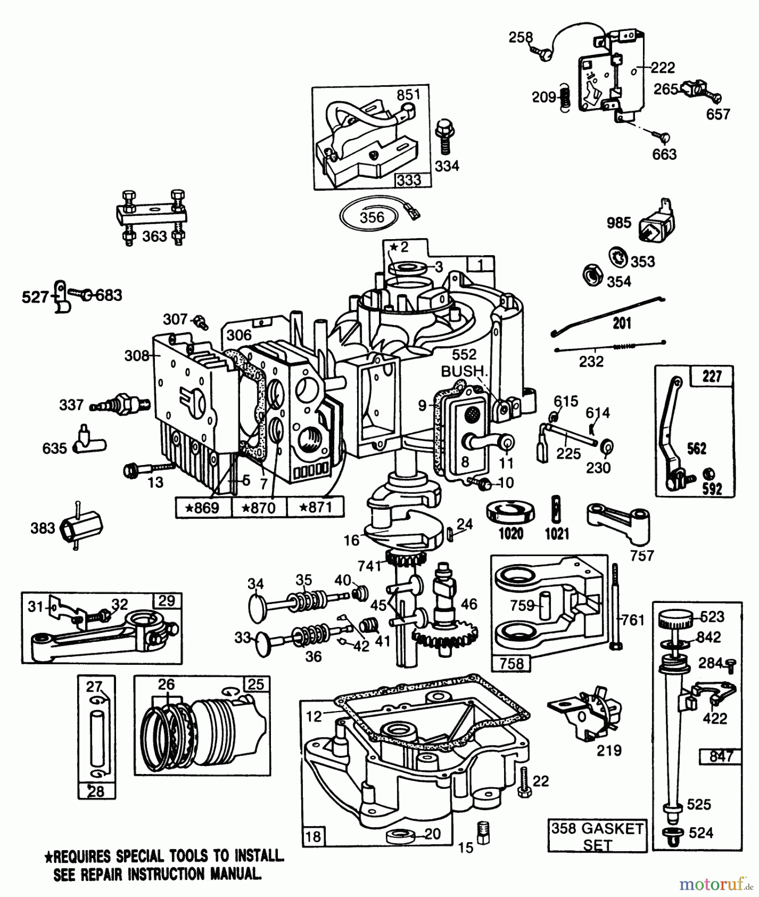
Toro 56150 (8-32) - 8-32 Professional Rear Engine Rider, 1987 (7000001-7999999) ENGINE BRIGGS & STRATTON MODEL NO. 253707-0195-01 11 H.P. REAR ENGINE RIDER ELECTRIC MODEL 56170 Ersatzteile
ENGINE BRIGGS & STRATTON MODEL NO. 253707-0195-01 11 H.P. REAR ENGINE RIDER ELECTRIC MODEL 56170 56150 (8-32) - Toro 8-32 Professional Rear Engine Rider, 1987 (7000001-7999999)

Hier finden Sie die Ersatzteilzeichnung für Toro Neu Mowers, Rear-Engine Rider 56150 (8-32) - Toro 8-32 Professional Rear Engine Rider, 1987 (7000001-7999999) ENGINE BRIGGS & STRATTON MODEL NO. 253707-0195-01 11 H.P. REAR ENGINE RIDER ELECTRIC MODEL 56170. Wählen Sie das benötigte Ersatzteil aus der Ersatzteilliste Ihres Toro Gerätes aus und bestellen Sie einfach online. Viele Toro Ersatzteile halten wir ständig in unserem Lager für Sie bereit.


Qualitätsmanagement
Informieren Sie uns, wenn Sie einen Fehler gefunden haben.






