Toro 56145 (8-32) - 8-32 Rear Engine Rider, 1989 (9000001-9999999) ENGINE MODEL NO. 191707-2161-01 #2 Ersatzteile
ENGINE MODEL NO. 191707-2161-01 #2 56145 (8-32) - Toro 8-32 Rear Engine Rider, 1989 (9000001-9999999)

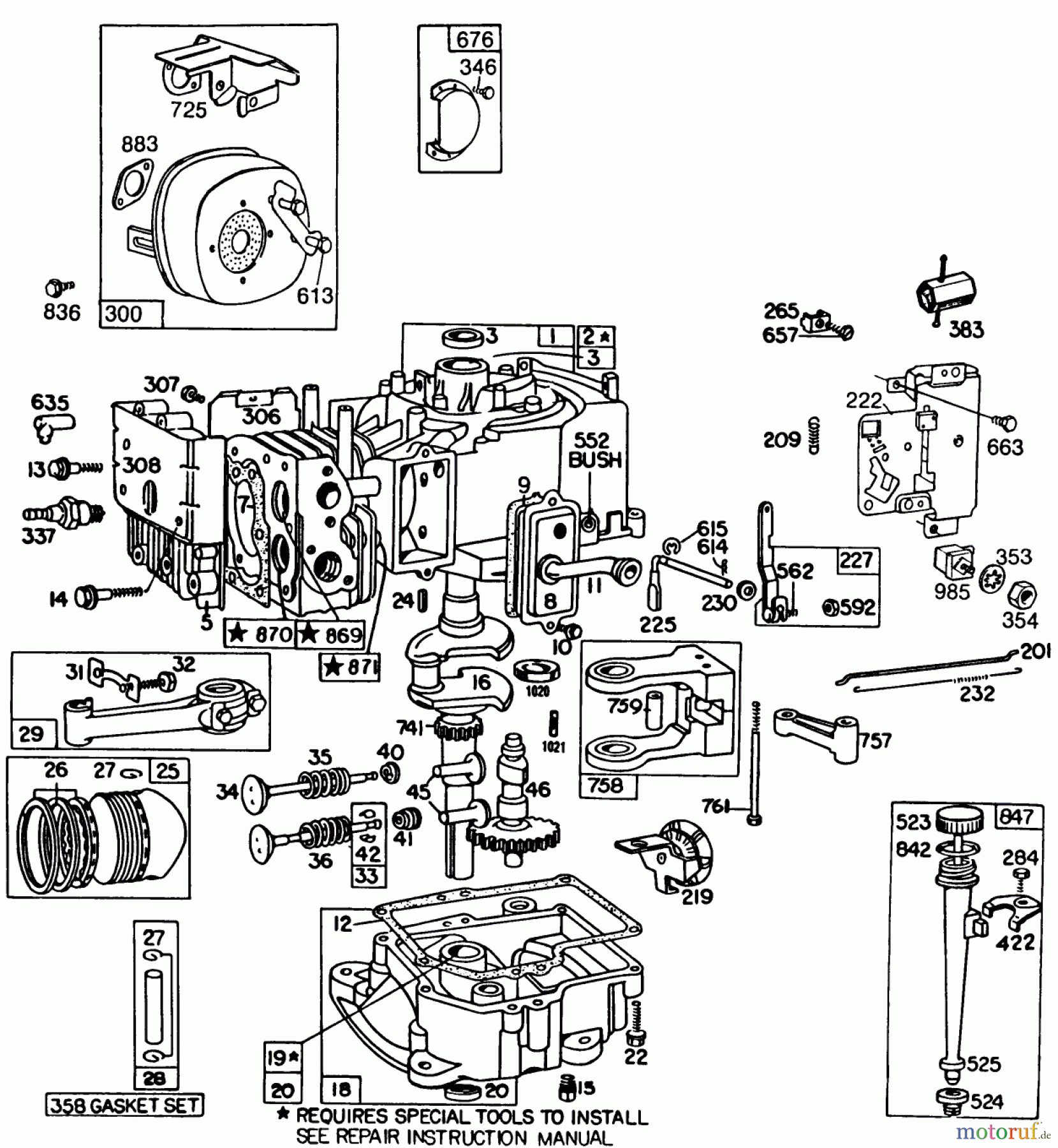
Hier finden Sie die Ersatzteilzeichnung für Toro Neu Mowers, Rear-Engine Rider 56145 (8-32) - Toro 8-32 Rear Engine Rider, 1989 (9000001-9999999) ENGINE MODEL NO. 191707-2161-01 #2. Wählen Sie das benötigte Ersatzteil aus der Ersatzteilliste Ihres Toro Gerätes aus und bestellen Sie einfach online. Viele Toro Ersatzteile halten wir ständig in unserem Lager für Sie bereit.




