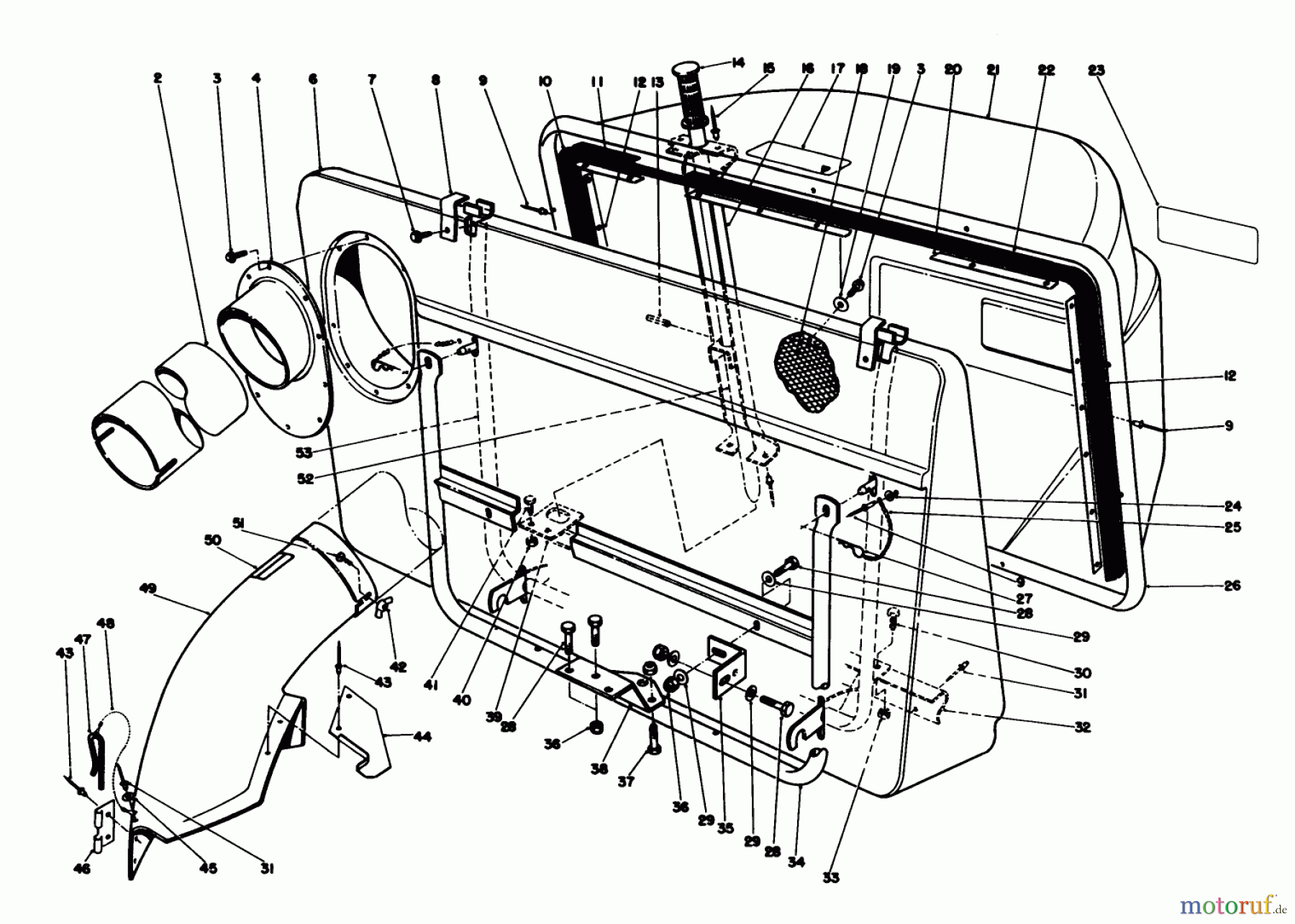
Toro 56145 (8-32) - 8-32 Rear Engine Rider, 1988 (8000001-8999999) EASY-EMPTY GRASS CATCHER MODEL 59111 (OPTIONAL) Ersatzteile
EASY-EMPTY GRASS CATCHER MODEL 59111 (OPTIONAL) 56145 (8-32) - Toro 8-32 Rear Engine Rider, 1988 (8000001-8999999)

Hier finden Sie die Ersatzteilzeichnung für Toro Neu Mowers, Rear-Engine Rider 56145 (8-32) - Toro 8-32 Rear Engine Rider, 1988 (8000001-8999999) EASY-EMPTY GRASS CATCHER MODEL 59111 (OPTIONAL). Wählen Sie das benötigte Ersatzteil aus der Ersatzteilliste Ihres Toro Gerätes aus und bestellen Sie einfach online. Viele Toro Ersatzteile halten wir ständig in unserem Lager für Sie bereit.


Qualitätsmanagement
Informieren Sie uns, wenn Sie einen Fehler gefunden haben.



