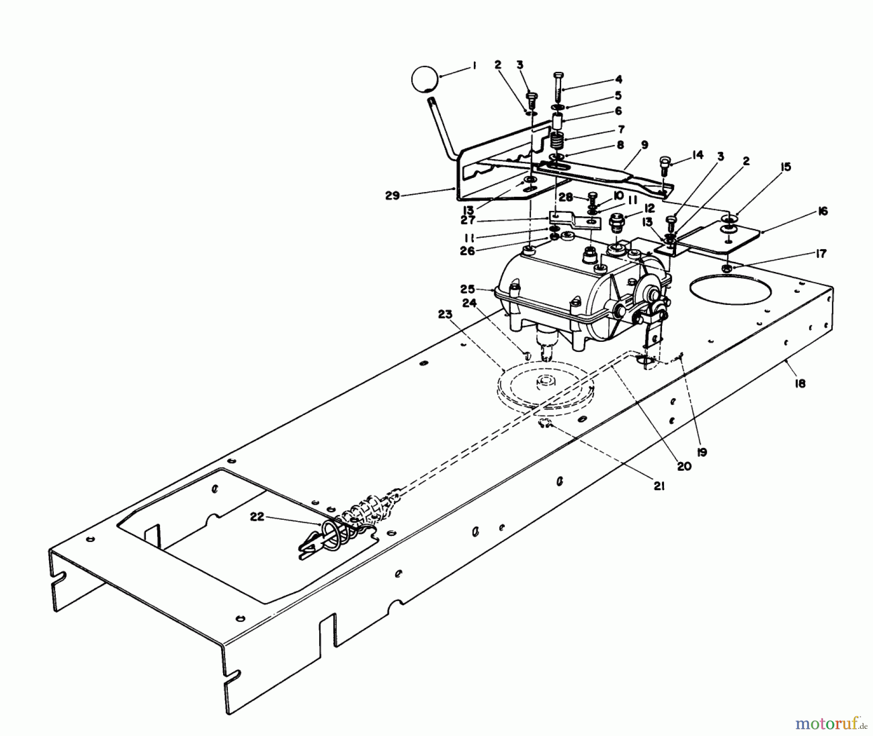
Toro 56138 (8-32) - 8-32 Rear Engine Rider, 1988 (8000001-8999999) TRANSMISSION LINKAGE ASSEMBLY Ersatzteile
TRANSMISSION LINKAGE ASSEMBLY 56138 (8-32) - Toro 8-32 Rear Engine Rider, 1988 (8000001-8999999)

Hier finden Sie die Ersatzteilzeichnung für Toro Neu Mowers, Rear-Engine Rider 56138 (8-32) - Toro 8-32 Rear Engine Rider, 1988 (8000001-8999999) TRANSMISSION LINKAGE ASSEMBLY. Wählen Sie das benötigte Ersatzteil aus der Ersatzteilliste Ihres Toro Gerätes aus und bestellen Sie einfach online. Viele Toro Ersatzteile halten wir ständig in unserem Lager für Sie bereit.


Qualitätsmanagement
Informieren Sie uns, wenn Sie einen Fehler gefunden haben.


