Toro 56138 (8-32) - 8-32 Rear Engine Rider, 1984 (4000001-4999999) FRONT TOWER ASSEMBLY Ersatzteile
FRONT TOWER ASSEMBLY 56138 (8-32) - Toro 8-32 Rear Engine Rider, 1984 (4000001-4999999)

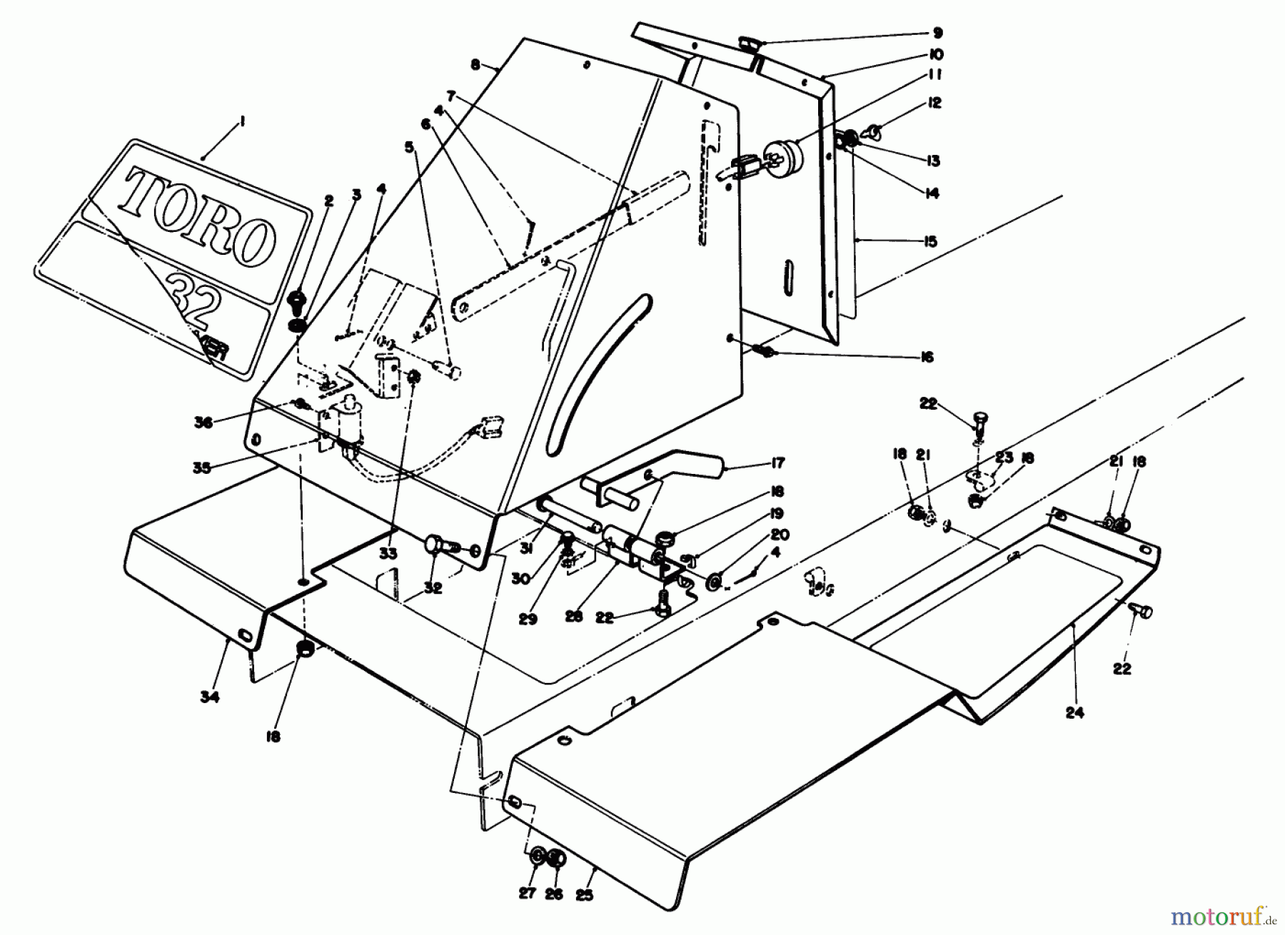
Hier finden Sie die Ersatzteilzeichnung für Toro Neu Mowers, Rear-Engine Rider 56138 (8-32) - Toro 8-32 Rear Engine Rider, 1984 (4000001-4999999) FRONT TOWER ASSEMBLY. Wählen Sie das benötigte Ersatzteil aus der Ersatzteilliste Ihres Toro Gerätes aus und bestellen Sie einfach online. Viele Toro Ersatzteile halten wir ständig in unserem Lager für Sie bereit.






