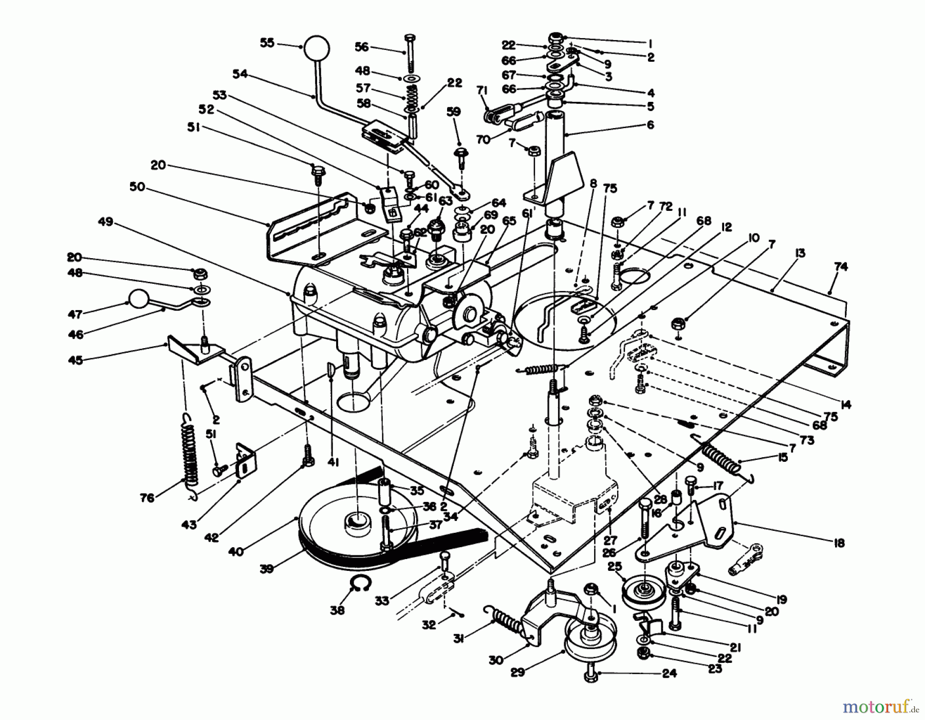
Toro 56132 (825) - 825 Recycler Rider, 1991 (1000001-1999999) TRANSMISSION & LINKAGE ASSEMBLY Ersatzteile
TRANSMISSION & LINKAGE ASSEMBLY 56132 (825) - Toro 825 Recycler Rider, 1991 (1000001-1999999)

Hier finden Sie die Ersatzteilzeichnung für Toro Neu Mowers, Rear-Engine Rider 56132 (825) - Toro 825 Recycler Rider, 1991 (1000001-1999999) TRANSMISSION & LINKAGE ASSEMBLY. Wählen Sie das benötigte Ersatzteil aus der Ersatzteilliste Ihres Toro Gerätes aus und bestellen Sie einfach online. Viele Toro Ersatzteile halten wir ständig in unserem Lager für Sie bereit.


Qualitätsmanagement
Informieren Sie uns, wenn Sie einen Fehler gefunden haben.






