Toro 56128 (8-25) - 8-25 Rear Engine Rider, 1990 (0000001-0999999) EASY EMPTY BAGGING KIT MODEL 59047 (OPTIONAL) Ersatzteile
EASY EMPTY BAGGING KIT MODEL 59047 (OPTIONAL) 56128 (8-25) - Toro 8-25 Rear Engine Rider, 1990 (0000001-0999999)

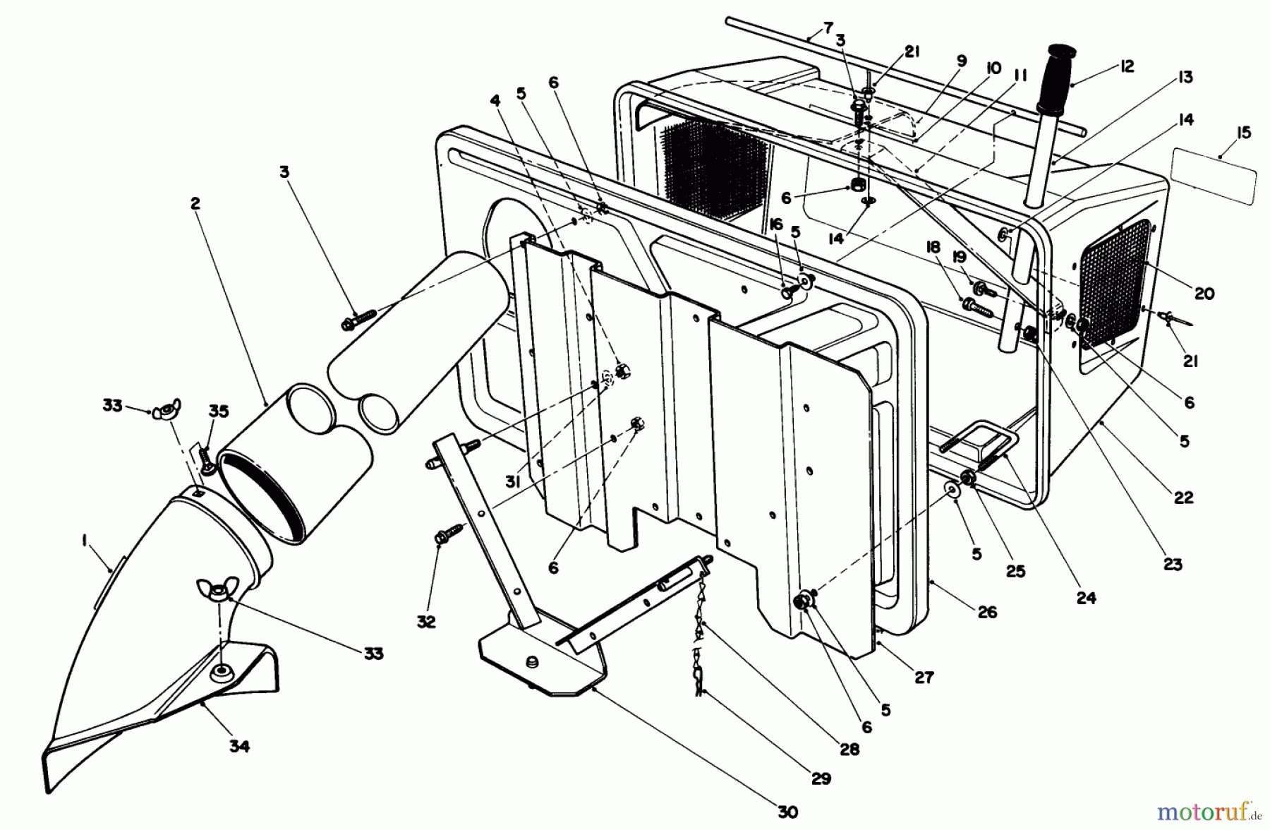
Hier finden Sie die Ersatzteilzeichnung für Toro Neu Mowers, Rear-Engine Rider 56128 (8-25) - Toro 8-25 Rear Engine Rider, 1990 (0000001-0999999) EASY EMPTY BAGGING KIT MODEL 59047 (OPTIONAL). Wählen Sie das benötigte Ersatzteil aus der Ersatzteilliste Ihres Toro Gerätes aus und bestellen Sie einfach online. Viele Toro Ersatzteile halten wir ständig in unserem Lager für Sie bereit.


Qualitätsmanagement
Informieren Sie uns, wenn Sie einen Fehler gefunden haben.




