Toro 56125 (7-25) - 7-25 Rear Engine Rider, 1986 (6000001-6999999) TECUMSEH ENGINE MODEL V70-125259E Ersatzteile
TECUMSEH ENGINE MODEL V70-125259E 56125 (7-25) - Toro 7-25 Rear Engine Rider, 1986 (6000001-6999999)

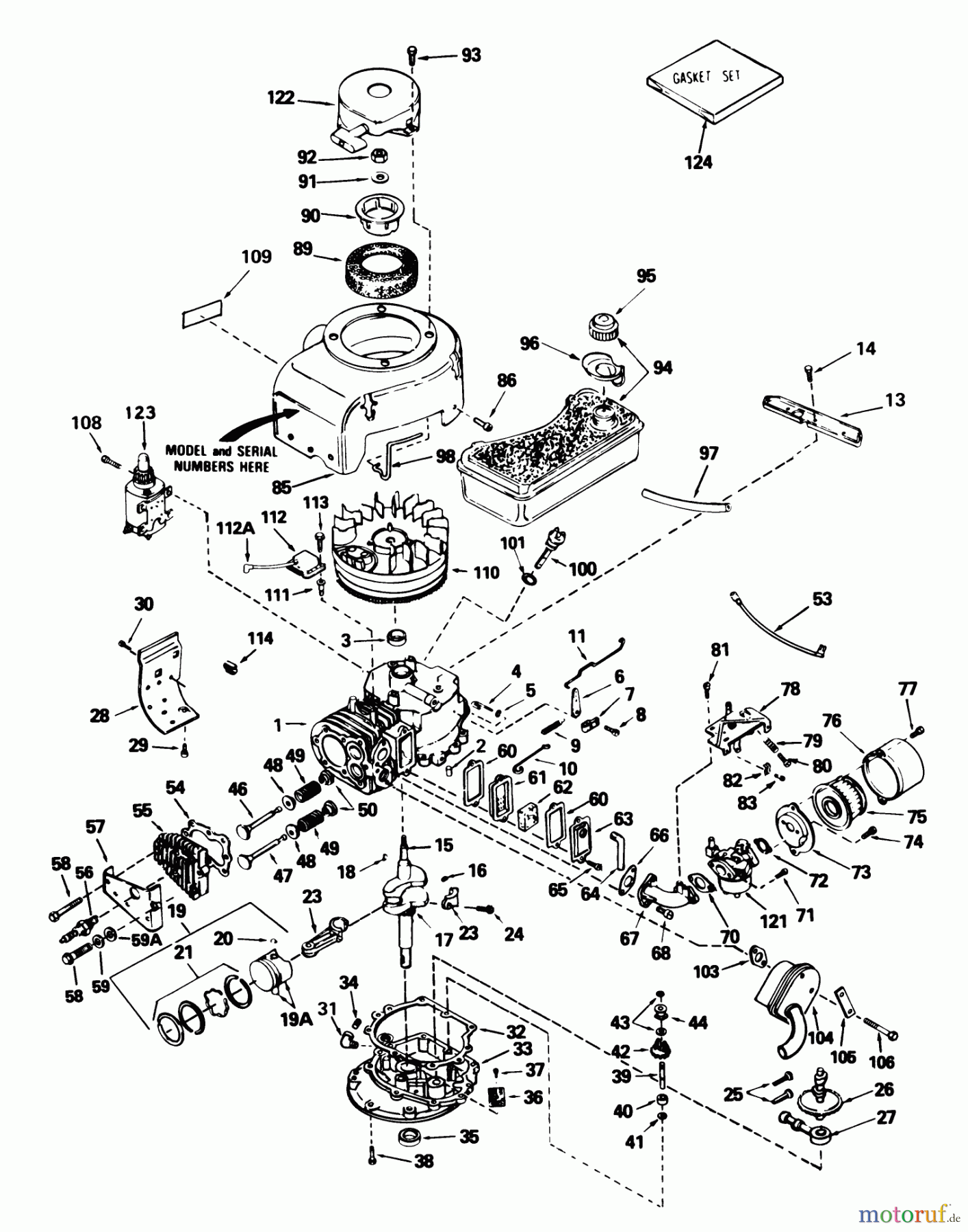
Hier finden Sie die Ersatzteilzeichnung für Toro Neu Mowers, Rear-Engine Rider 56125 (7-25) - Toro 7-25 Rear Engine Rider, 1986 (6000001-6999999) TECUMSEH ENGINE MODEL V70-125259E. Wählen Sie das benötigte Ersatzteil aus der Ersatzteilliste Ihres Toro Gerätes aus und bestellen Sie einfach online. Viele Toro Ersatzteile halten wir ständig in unserem Lager für Sie bereit.




