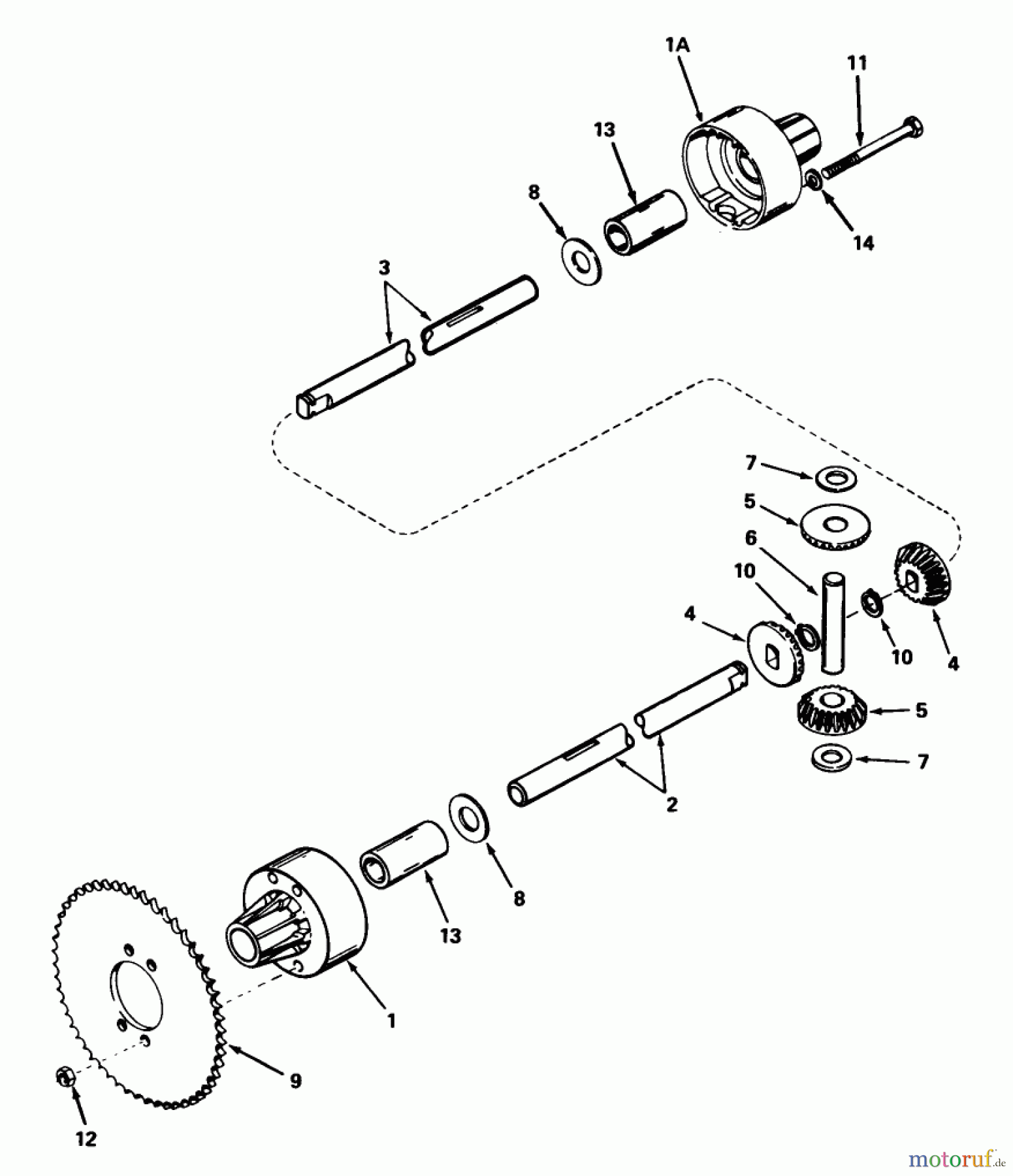
Toro 56125 (7-25) - 7-25 Rear Engine Rider, 1984 (4000001-4999999) DIFFERENTIAL ASSEMBLY NO. 44-7300 Ersatzteile
DIFFERENTIAL ASSEMBLY NO. 44-7300 56125 (7-25) - Toro 7-25 Rear Engine Rider, 1984 (4000001-4999999)

Hier finden Sie die Ersatzteilzeichnung für Toro Neu Mowers, Rear-Engine Rider 56125 (7-25) - Toro 7-25 Rear Engine Rider, 1984 (4000001-4999999) DIFFERENTIAL ASSEMBLY NO. 44-7300. Wählen Sie das benötigte Ersatzteil aus der Ersatzteilliste Ihres Toro Gerätes aus und bestellen Sie einfach online. Viele Toro Ersatzteile halten wir ständig in unserem Lager für Sie bereit.


Qualitätsmanagement
Informieren Sie uns, wenn Sie einen Fehler gefunden haben.

