Toro 56108 - 32" Sportsman Recoil, 1973 (3000001-3999999) ENGINE BRIGGS & STRATTON MODEL NO. 170702-1203 Ersatzteile
ENGINE BRIGGS & STRATTON MODEL NO. 170702-1203 56108 - Toro 32" Sportsman Recoil, 1973 (3000001-3999999)

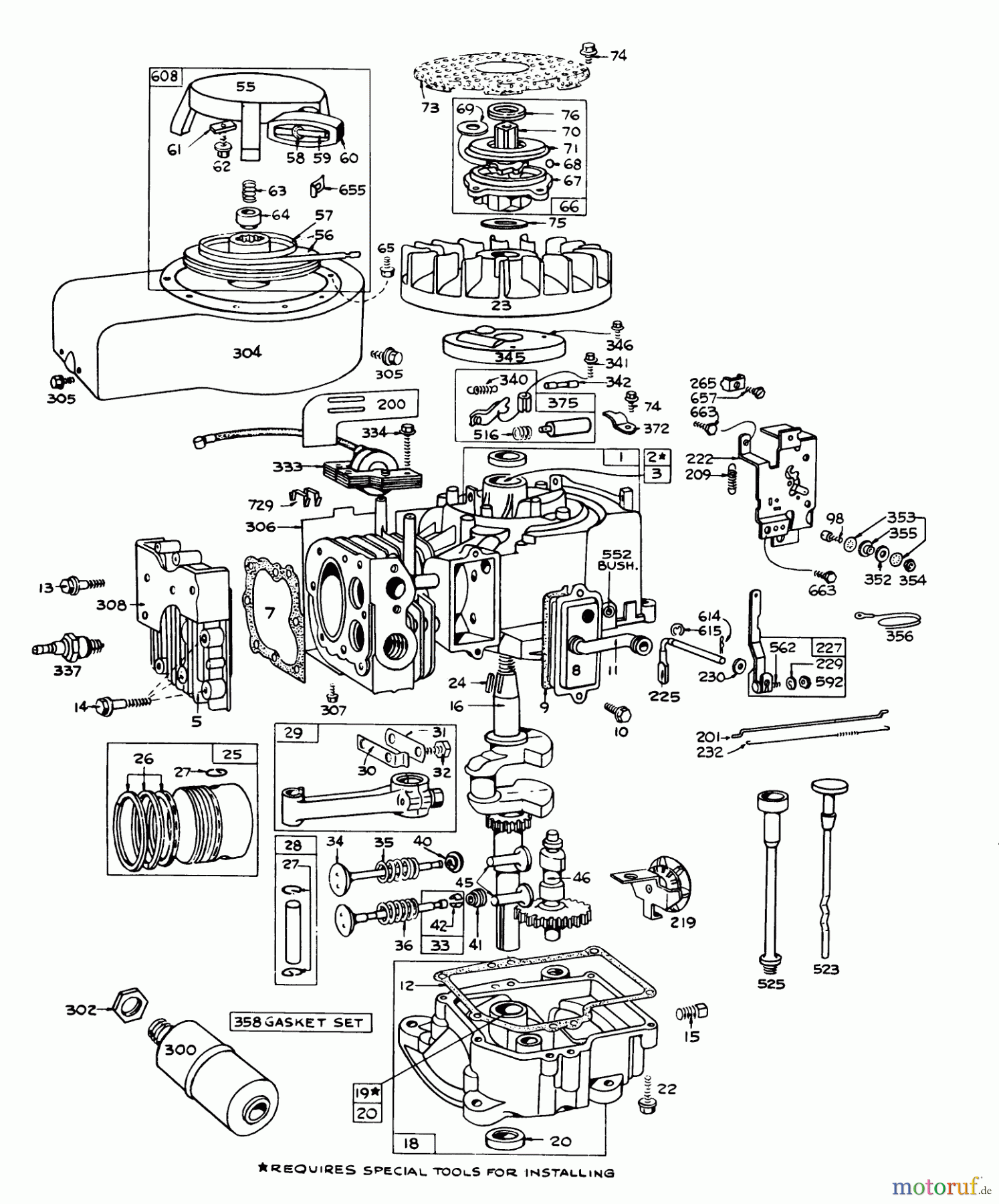
Hier finden Sie die Ersatzteilzeichnung für Toro Neu Mowers, Rear-Engine Rider 56108 - Toro 32" Sportsman Recoil, 1973 (3000001-3999999) ENGINE BRIGGS & STRATTON MODEL NO. 170702-1203. Wählen Sie das benötigte Ersatzteil aus der Ersatzteilliste Ihres Toro Gerätes aus und bestellen Sie einfach online. Viele Toro Ersatzteile halten wir ständig in unserem Lager für Sie bereit.


Qualitätsmanagement
Informieren Sie uns, wenn Sie einen Fehler gefunden haben.





