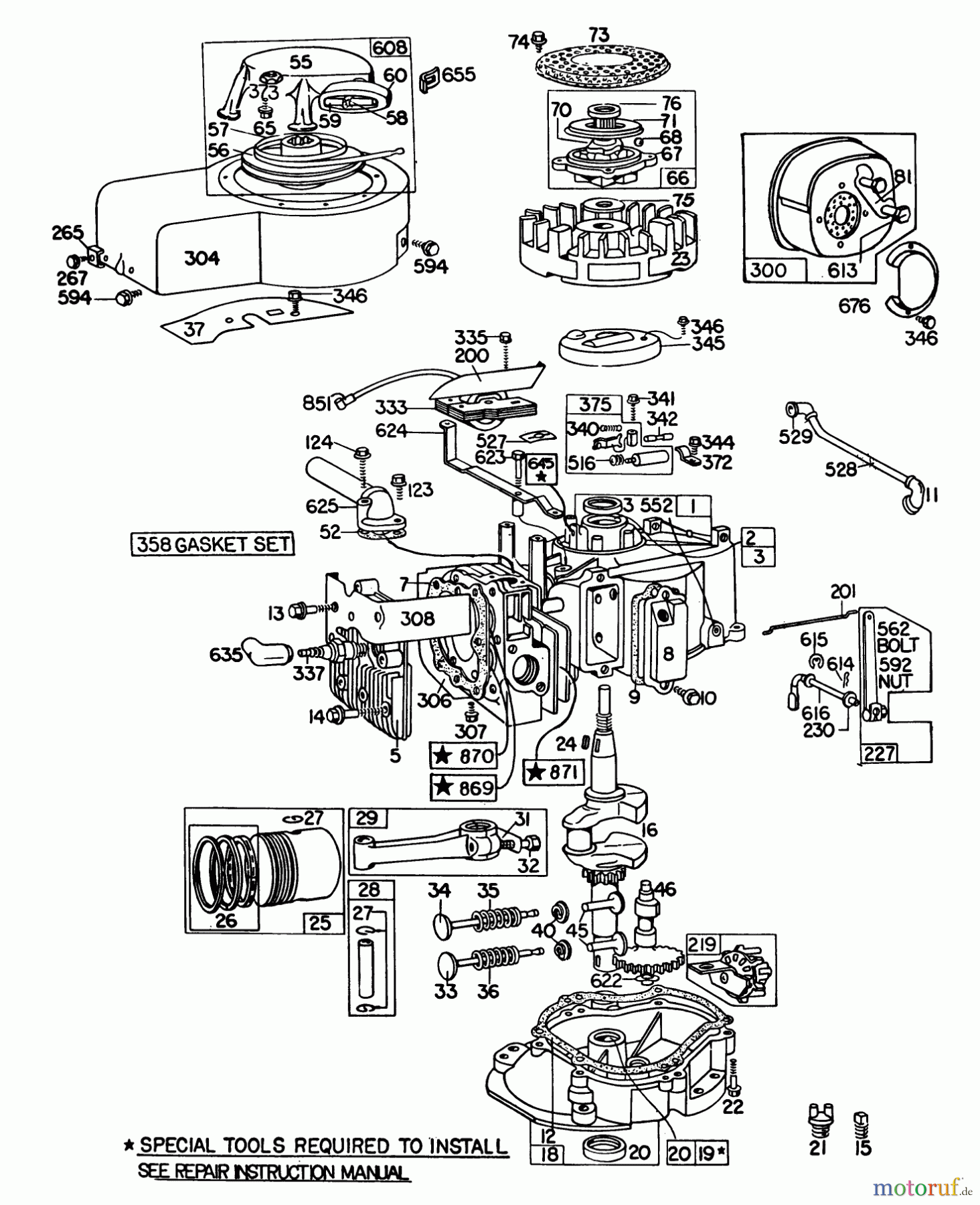
Toro 56080 - 25" Whirlwind Premium Rider, 1981 (1000001-1999999) ENGINE BRIGGS & STRATTON MODEL 130902-0647-01 #2 Ersatzteile
ENGINE BRIGGS & STRATTON MODEL 130902-0647-01 #2 56080 - Toro 25" Whirlwind Premium Rider, 1981 (1000001-1999999)

Hier finden Sie die Ersatzteilzeichnung für Toro Neu Mowers, Rear-Engine Rider 56080 - Toro 25" Whirlwind Premium Rider, 1981 (1000001-1999999) ENGINE BRIGGS & STRATTON MODEL 130902-0647-01 #2. Wählen Sie das benötigte Ersatzteil aus der Ersatzteilliste Ihres Toro Gerätes aus und bestellen Sie einfach online. Viele Toro Ersatzteile halten wir ständig in unserem Lager für Sie bereit.





